EasyManua.ls Logo

Arctic Cat M6000 - Assembly Schematic - 6000

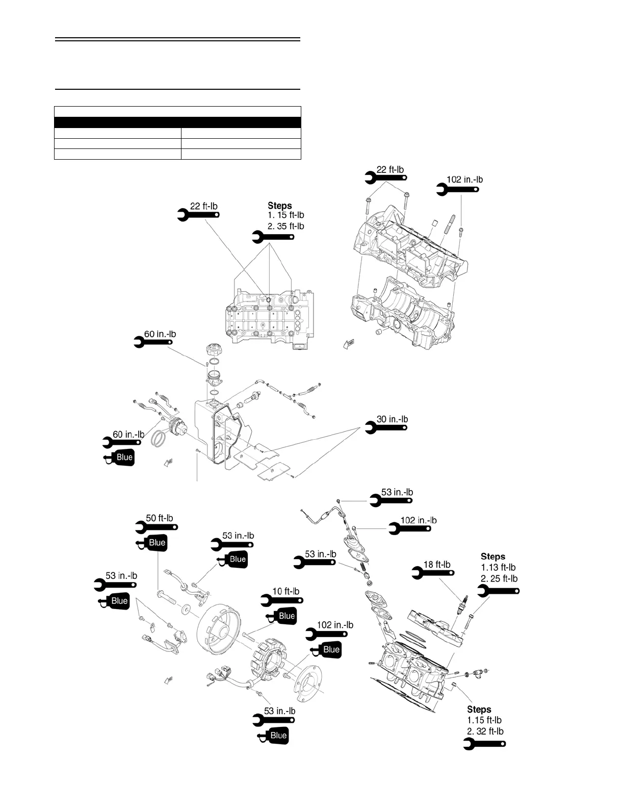
Arctic Cat M6000
210 pages
Print Icon
To Next Page IconTo Next Page
To Next Page IconTo Next Page
To Previous Page IconTo Previous Page
To Previous Page IconTo Previous Page
Loading...
48
Assembly Schematic -
6000
600_14_1
Torque Specification Tolerances
Torque (ft-lb) Tolerance
0-15 ±20%
16-39 ±15%
40+ ±10%

Table of Contents

Related product manuals