EasyManua.ls Logo

Asus RS720-E9-RS12-E - Page 74

Asus RS720-E9-RS12-E
194 pages
Print Icon
To Next Page IconTo Next Page
To Next Page IconTo Next Page
To Previous Page IconTo Previous Page
To Previous Page IconTo Previous Page
Loading...
Chapter 2: Hardware Information
2-48
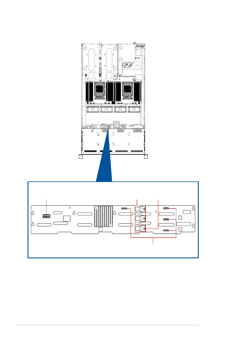
With Rear Bay model
1
2
3 4
1
2
3 4
Reserved for
future expansions
Connects the data cable
connected to the motherboard
Connects the data cable connected to
the ASUS PCIE-NVME4-OCuLink card
Connects a 8-pin plug
from motherboard
PWR1
MSAS_HD2
MSAS_HD3
MSAS_HD1
OCUPCIE1
OCUPCIE3
OCUPCIE4
OCUPCIE2

Table of Contents

Related product manuals