EasyManua.ls Logo

Atari 800 - PIA Pin Assignments

Atari 800
207 pages
Print Icon
To Next Page IconTo Next Page
To Next Page IconTo Next Page
To Previous Page IconTo Previous Page
To Previous Page IconTo Previous Page
Loading...
^ l—
PAT
fc
2
PAl
c
3
PA2
c
*
P«
c
5
PA*
c
«
PW
c
7
PA«
q
S
p^r
9
10
PBI
c
n
PB2
c
12
PBS
c
13
PB«
c
1«
PM
c
1^
PW
c
1«
PB7 17
IS
L
-c
1»
vcc
m
c:
20
MCSU20
40
39
3S
37
3«
33
3*
33
32
31
30
2f
2S
27
2S
23
2*
23
22
21
n**
—
^cAi
^
»•
CA2
—J
,
„„
^
iR^
3
^ iRQB
3
-^
RSI
n-*
M»
>
3
J.
1
3
n
3
3
3^
3-»-
3^
3^
3^
DO
Dt
D2
D3
D*
D3
Dt
07
ENABLE
CSl
CS2
R/ir
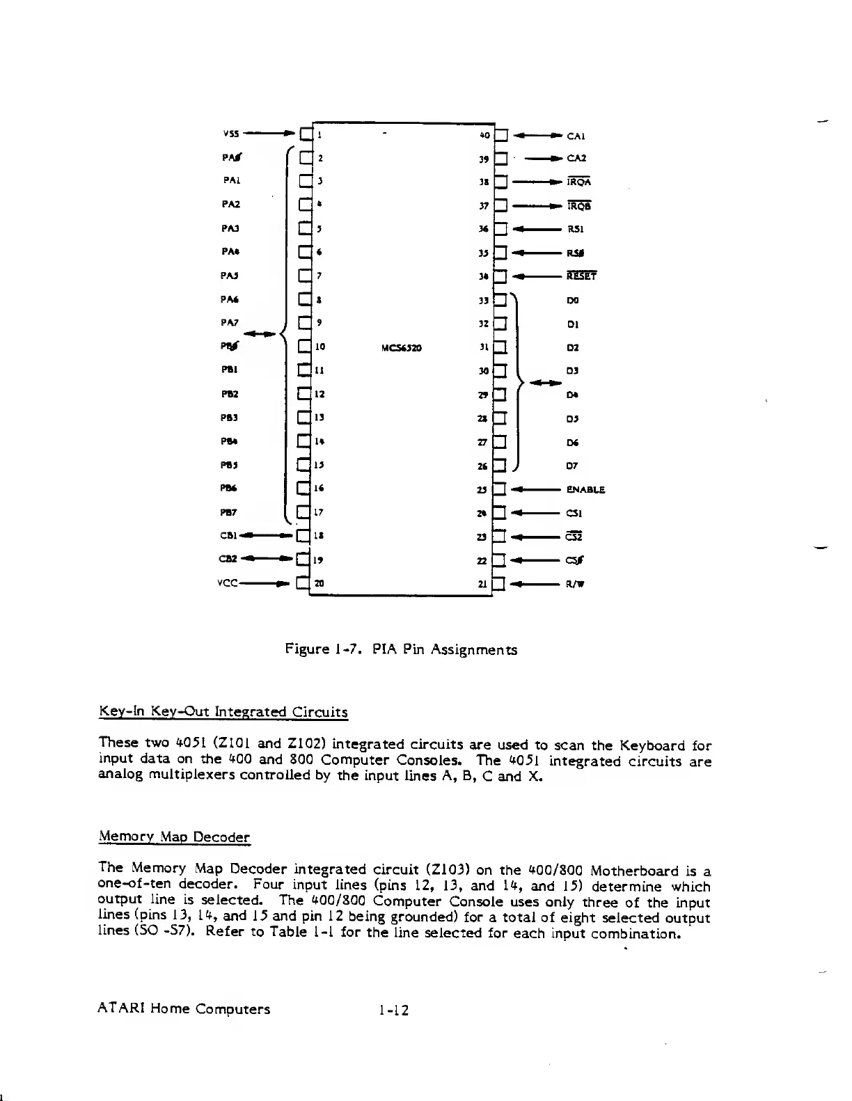
Figure 1-7.
PIA Pin
Assignments
Key-In
Key-Out
Integrated
Circuits
These two
*051 (ZlOl
and Z102)
integrated
circuits
are used to
scan the Keyboard
for
input
data on
the
'^00
and 800
Computer Consoles.
The *051
integrated
circuits
are
analog
multiplexers
controlled by
the input lines A, B,
C and X.
Memory
Map
Decoder
The
Memory
Map
Decoder integrated
circuit (Z103)
on the 400/800
Motherboard
is
a
one-of-ten
decoder.
Four
input lines
(pins
12, 13, and U,
and 15)
determine which
output line
is
selected.
The 400/800
Computer
Console uses only
three
of the input
lines
(pins
13, 14,
and
15 and pin 12
being
grounded) for
a total of eight
selected
output
lines
(SO -S7),
Refer to Table
l-I for
the line
selected for
each input
combination.
ATARI
Home
Computers
1-12

Table of Contents

Other manuals for Atari 800

Related product manuals