EasyManua.ls Logo

Atlantic alfea extensa + - Page 69

Atlantic alfea extensa +
92 pages
Print Icon
To Next Page IconTo Next Page
To Next Page IconTo Next Page
To Previous Page IconTo Previous Page
To Previous Page IconTo Previous Page
Loading...
1 2 3
4
5
1
2
3
4
5
6
7
89
123
4
5
6
7
89
123
4
5
12
3
4
5
12
3
4
5
1
2
3
4
5
6
7
8
9
1
2
3
4
5 6
7
8
9
1
2
1
2
1
2
3
4
1
2
3
4
1
2
1
2
1
2
1
2
1 2
1
2
3
4
5
1
2
3
4
5
1
2
3
4
5
6
7
1
2
3
4
5
6
7
1
2
1
2
3
1
2
3
3
1
2
3
1
2
3
1
2
3
1
2
3
1
2
3
1
2
3
4
1
2
3
4
1
2
1
2
W4
CN400CN200CN40CN42
CN303
CN301
W306
W307
TM302
TM301
W17
W16
TM102
TM101
TM303 - W
TM304 - V
TM305 - U
W12
W13
W8
W7
S
C
R
L2
L1
+IN
-IN
P
N
CN11
CN1
CN100
W29
W28
W21
W9
W20
W19
W3
W18
W17
W2
W1
CN 110
TM600
TM601
CN800
CN700
CN500
CN61
CN62
CN72
CN64
CN90
NL321
CM
PS
4WV
PMV
FM
(Main PWB)
(IPM PWB)
(Filter PWB)
(ACTPM)
WH
WH
WH
WH
WH
WH
WH
WH
WH
WH
WH
WH
WH
WH
WH
BK
BN
RD
OG
YE
RD
WH
BK
BN
BN
BK
BK
BK
BK
BK
BK
BK
BK
BK
BK
WH
YE
OG
BU
RD
BN
YE
WH
BK
RD
RD
RD
WH
WH
RD
WH
BK
BK
BN
OG
VT
WH
BU
YE
BKBK
GN
GN
WH
BK
WH
WH
WH
WH
BK
BK
GY
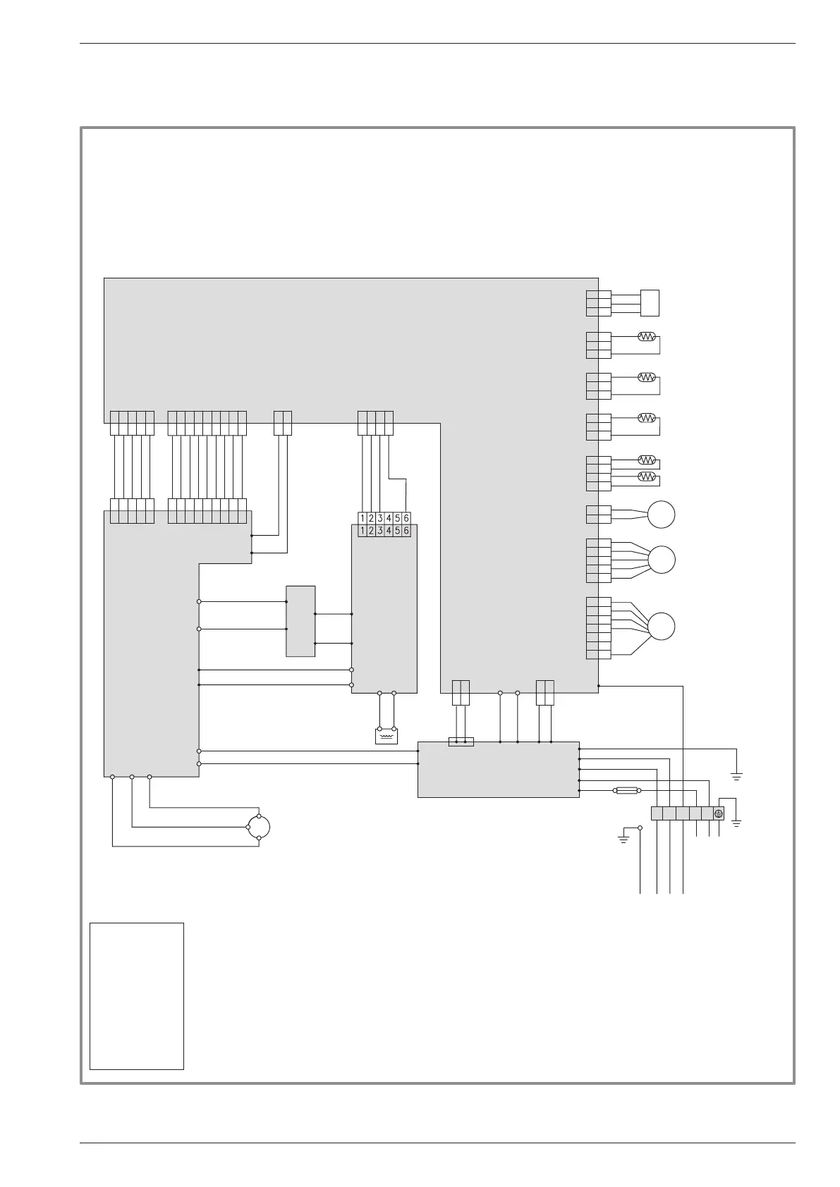
Capacitor PCB
Coil
Compressor
Terminal block
Power card
IPM card
Power
supply
Interconnection
between the outdoor unit
and the hydraulic unit
Regulation board
Pressure sensor
Discharge
Temperature sensors
Compressor
Temperature sensors
Outdoor
Temperature sensors
4-way valve
Expansion valve
Expansion valve
Temperature sensors
Ventilator
Evaporator
Temperature sensors
Fuse 250V 25A
Color Codes
BK Black
BN Brown
BU Blue
GN Green
GY Grey
OG Orange
RD Red
VT Purple
WH White
YE Yellow
gure 49 - Electrical wiring of outdoor unit (model extensa + 8)
Installation and operation manual "1734 - EN" - 69 -
Heat pump air/water split 1 service alféa extensa +

Table of Contents

Related product manuals