EasyManua.ls Logo

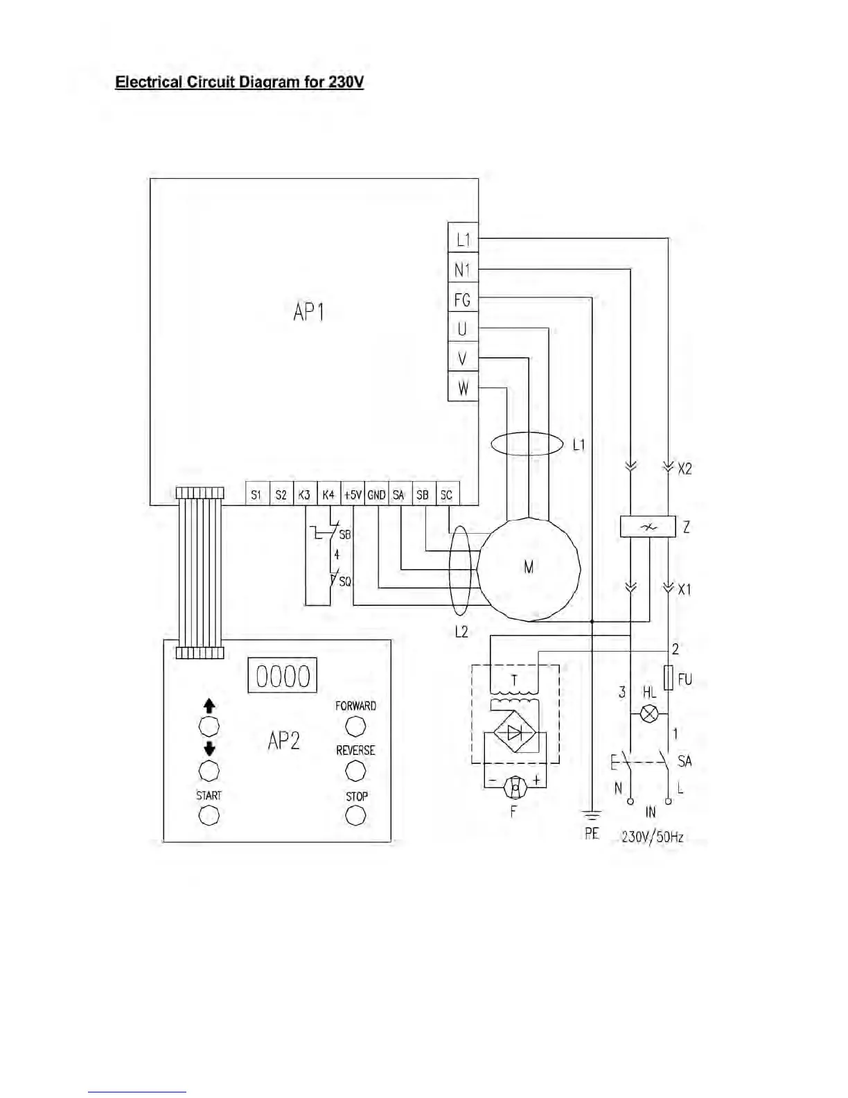
Axminster SIEG C4 - Electrical Circuit Diagram for 230 V

Axminster SIEG C4
42 pages
Print Icon
To Next Page IconTo Next Page
To Next Page IconTo Next Page
To Previous Page IconTo Previous Page
To Previous Page IconTo Previous Page
Loading...
18

Related product manuals