EasyManua.ls Logo

Bad Boy 2024H 2021 - Effective Plowing Pattern

Bad Boy 2024H 2021
152 pages
Print Icon
To Next Page IconTo Next Page
To Next Page IconTo Next Page
To Previous Page IconTo Previous Page
To Previous Page IconTo Previous Page
Loading...
5
-
33
OPERATION
5
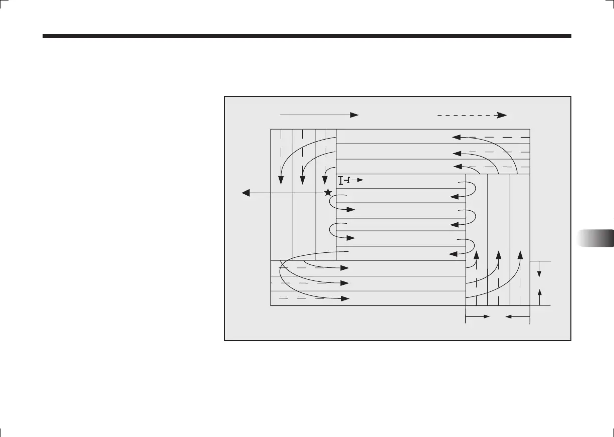
EFFECTIVE PLOWING PATTERN
Safety precautions for rotavator
This pattern can be useful in a
well-planned eld in a good condi-
tion.
The border shown in the gure is
the effective plowing width of the
rotavator and should be set a little
narrower than three times of one
plowing width.
The starting point is the ending
point.
Plow in a sequential pattern from
(1) to (6) and in a circular pattern
from (7) to (18).
When driving forward to plow,
have the bank on the right side.
Be careful not to press al-
ready-plowed soil with the wheels.
Moving direction
Moving direction
Turning:
Turning:
Finish
Finish
A: Border
A: Border
Start
Start
(9)
(9)
(13)
(13)
(17)
(17)
(1)
(1)
(2)
(2)
(3)
(3)
(4)
(4)
(5)
(5)
(6)
(6)
(15)
(15)
(11)
(11)
(7)
(7)
(10)
(10)
(14)
(14)
(18)
(18)
(16)
(16)
(12)
(12)
A
A
(8)
(8)
Reverse driving
Reverse driving
2024h_3026h.indb 332024h_3026h.indb 33 2020-09-18 오후 6:17:272020-09-18 오후 6:17:27

Table of Contents

Related product manuals