EasyManua.ls Logo

Bambi VT75 - Wiring Diagrams - Single Phase VTS Models (Contd); VTS250;250 D Single Phase Wiring

Bambi VT75
32 pages
Print Icon
To Next Page IconTo Next Page
To Next Page IconTo Next Page
To Previous Page IconTo Previous Page
To Previous Page IconTo Previous Page
Loading...
29
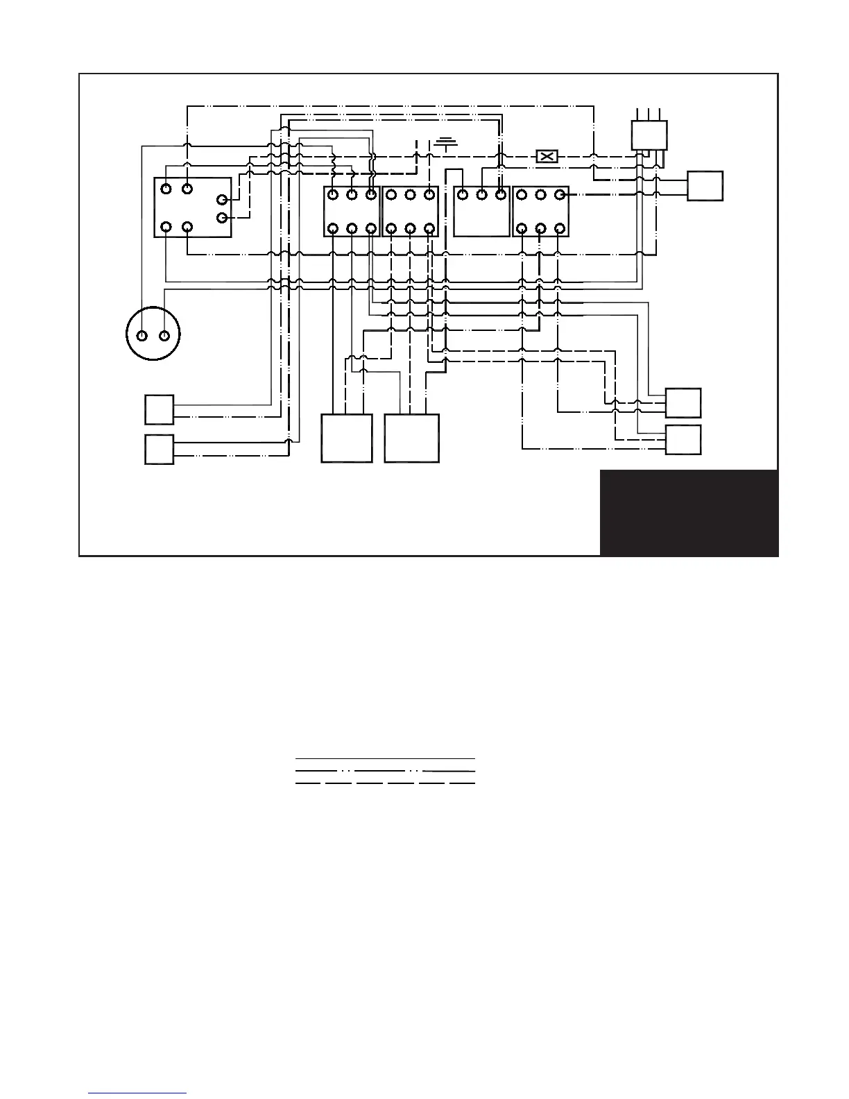
VTS250 / 250D
3
3
10 11
9
13
4
1
Connector
Earth to case
12
2
8 7 6 5
1 - Power in
2 - Pressure switch
3 - Cooling fans
4 - Thermal trip
5,6,7 & 8 Connection blocks
9 - Solenoid
10 - Motor
11 - Aftercooler fan
12 - Thermal fan switch
13 - Timer box
Note! Timer box only used
on Dryer models
NOTE!
The cooling fans
remain live even with
the power switch in
the “OFF” position
K
- Live
- Neutral
- Earth
KKEY:
Wiring Diagrams - SINGLE PHASE - VTS cont’d

Other manuals for Bambi VT75

Related product manuals