EasyManua.ls Logo

Bambi VT75 - Wiring Diagrams - Three Phase Models; Three Phase Wiring Schematics

Bambi VT75
32 pages
Print Icon
To Previous Page IconTo Previous Page
To Previous Page IconTo Previous Page
Loading...
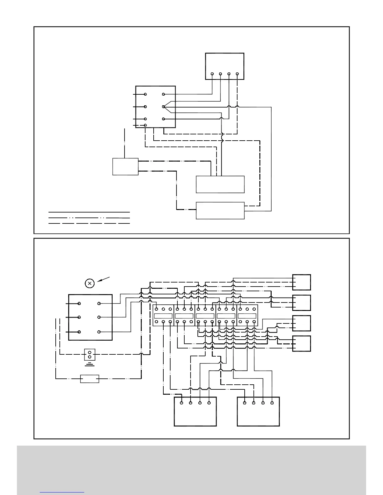
VT150/200/250 and 150/200/250D
Wiring Diagrams - THREE PHASE
PRESSURE SWITCH
MOTOR
1
MOTOR
2
N
GREY BLUE EARTH
BROWN BLACK
Solenoid
1
Solenoid
2
Fan 1
Fan 2
Overload set to 10 amps
DO NOT ALTER!
NOTE:
Fans only used
on dryer models
L1
L2
L3
SUPPLY
VT300/400/300D/400D
PRESSURE SWITCH
MOTOR
L1
L2
L3
SUPPLY
Connector
block
SOLENOID
AFTER COOLER FAN
(Dryer models only)
K
- Live
- Neutral
- Earth
KKEY:
Issue 4: 05/14

Other manuals for Bambi VT75

Related product manuals