EasyManua.ls Logo

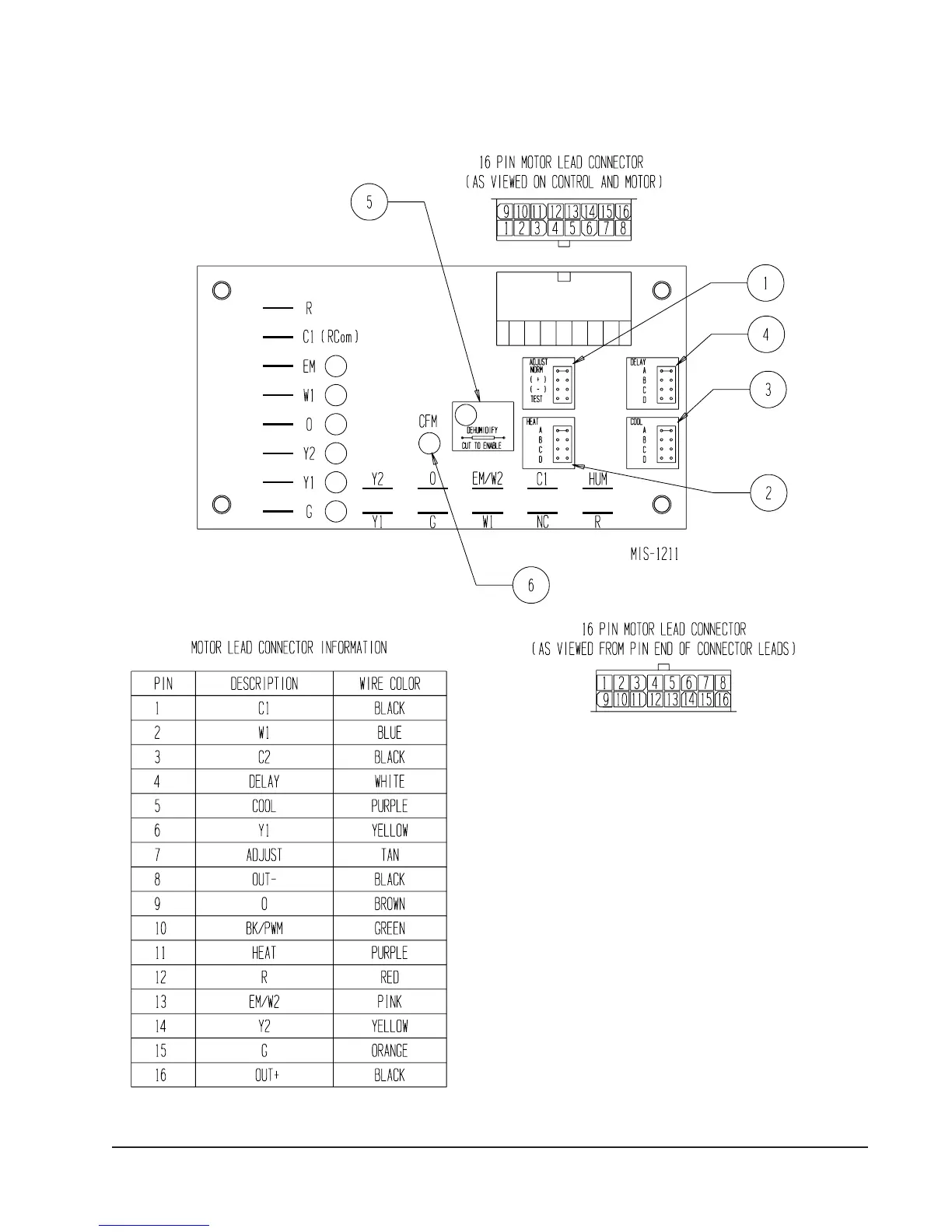
Bard GSVS421-A - Figure 5 Blower Control Board

Default Icon
39 pages
Print Icon
To Next Page IconTo Next Page
To Next Page IconTo Next Page
To Previous Page IconTo Previous Page
To Previous Page IconTo Previous Page
Loading...
Manual 2100-317J
Page 15 of 39
FIGURE 5
BLOWER CONTROL BOARD
SEE HUMIDITY
CONTROL
SEE TABLE 8
SEE TABLE 8
SEE TABLE 8
SEE TABLE 8
SEE CFM LIGHT

Table of Contents

Related product manuals