EasyManua.ls Logo

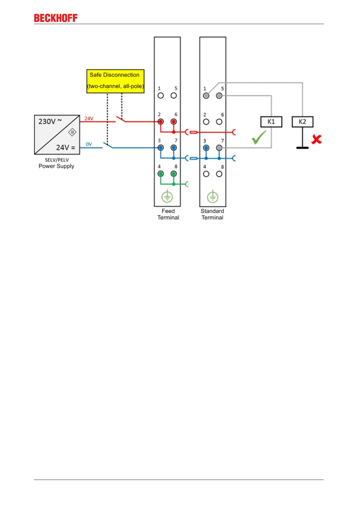
Beckhoff EL9 Series - Fig. 10 Ground Connection of the Load: Correct (K1) and Incorrect (K2)

Beckhoff EL9 Series
93 pages
Print Icon
To Next Page IconTo Next Page
To Next Page IconTo Next Page
To Previous Page IconTo Previous Page
To Previous Page IconTo Previous Page
Loading...
Foreword
EL9xxx 15Version: 3.9
Fig.10: Ground connection of the load: correct (K1) and incorrect (K2)
If either
a) the ground of the load is not fed back to the terminal or
b) the ground is not safely switched but connected permanently
then fault exclusions are necessary with regard to a short-circuit with external potential in order to
be able to achieve Cat. 4 PLe according to EN ISO 13849-1:2007 or SIL3 according to IEC
61508:2010 (refer here to the overview in the chapter "Effect of options on the safety level").
Option 2: Cable short-circuit fault exclusion
If solution option 1 is not feasible, the ground feedback and all-pole disconnection can be
dispensed with if the danger of feedback due to a cable short-circuit can be excluded by other
measures. These measures, which can be implemented alternatively, are described in the
following sections.

Table of Contents

Related product manuals