EasyManua.ls Logo

BendPak HD-7P - Wiring Diagrams

BendPak HD-7P
92 pages
Print Icon
To Next Page IconTo Next Page
To Next Page IconTo Next Page
To Previous Page IconTo Previous Page
To Previous Page IconTo Previous Page
Loading...
HD-7P / HD-7W Four-Post Lifts 77 P/N 5900041Rev. M July 2019
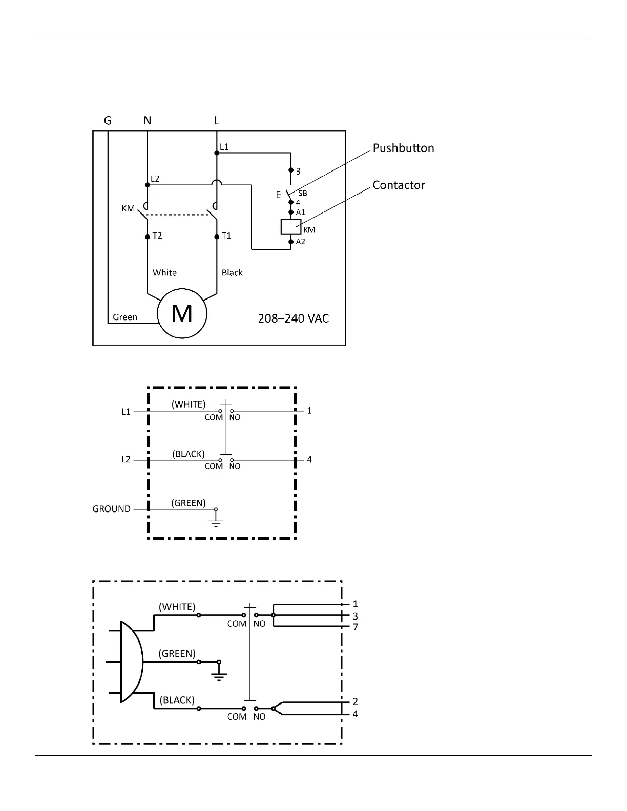
Wiring Diagrams
5585280
5585181
5585178

Other manuals for BendPak HD-7P

Related product manuals