EasyManua.ls Logo

BendPak HDS-14LSX - Page 7

BendPak HDS-14LSX
80 pages
Print Icon
To Next Page IconTo Next Page
To Next Page IconTo Next Page
To Previous Page IconTo Previous Page
To Previous Page IconTo Previous Page
Loading...
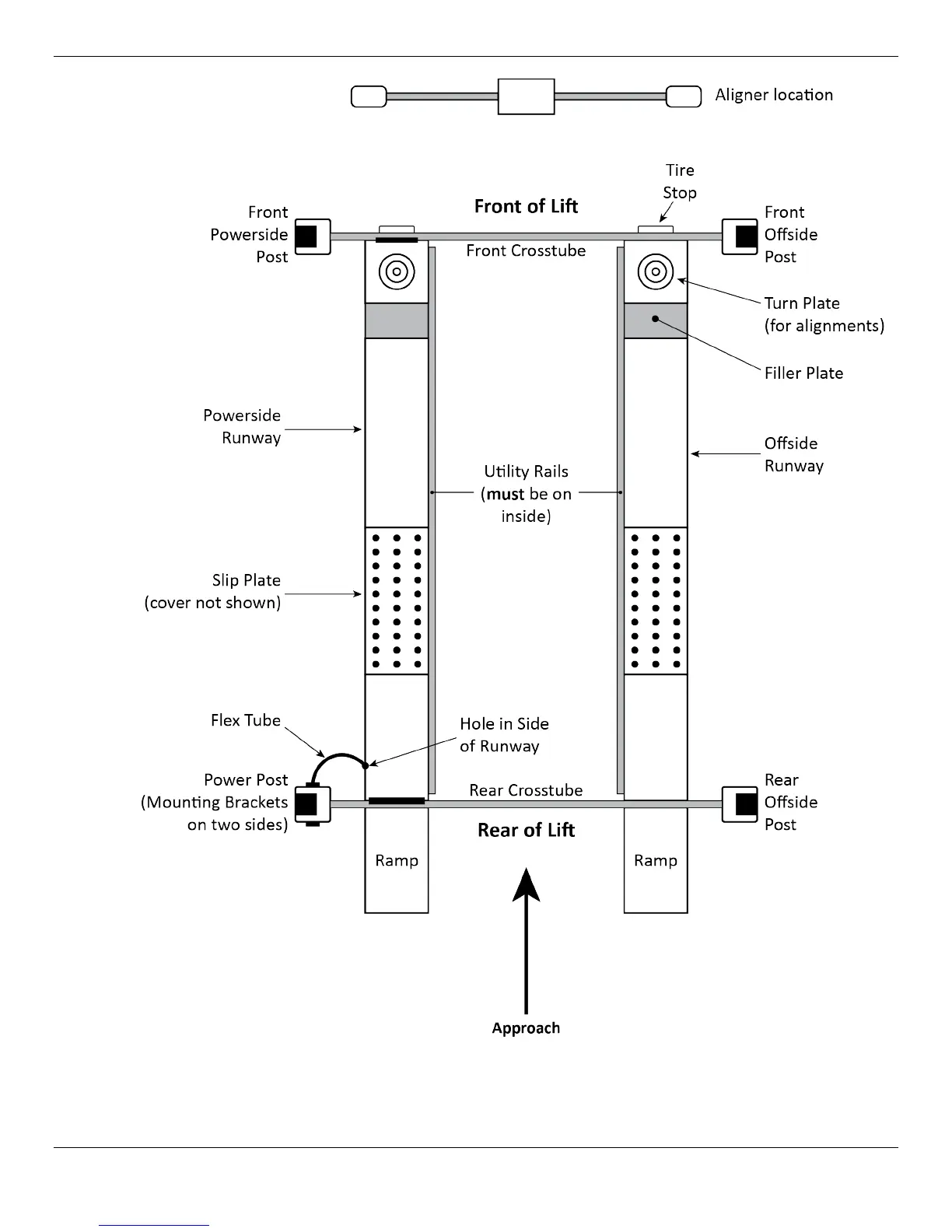
HDS-14LSX / HDS-14LSXE Lifts 7 P/N 5900162 — April 2018 — Rev. F3
Drawing not necessarily to scale. Some components not shown. Aligner is a separate product; it is not
included with the Lift. The Front of the Lift is the end
opposite
the Ramps.

Other manuals for BendPak HDS-14LSX

Related product manuals