EasyManua.ls Logo

BendPak RBJ7000 - Parts Sheets and Diagrams

Default Icon
57 pages
Print Icon
To Next Page IconTo Next Page
To Next Page IconTo Next Page
To Previous Page IconTo Previous Page
To Previous Page IconTo Previous Page
Loading...
RBJ Series of Rolling Bridge Jacks 31 P/N 5900004 — June 2018 Rev. C2
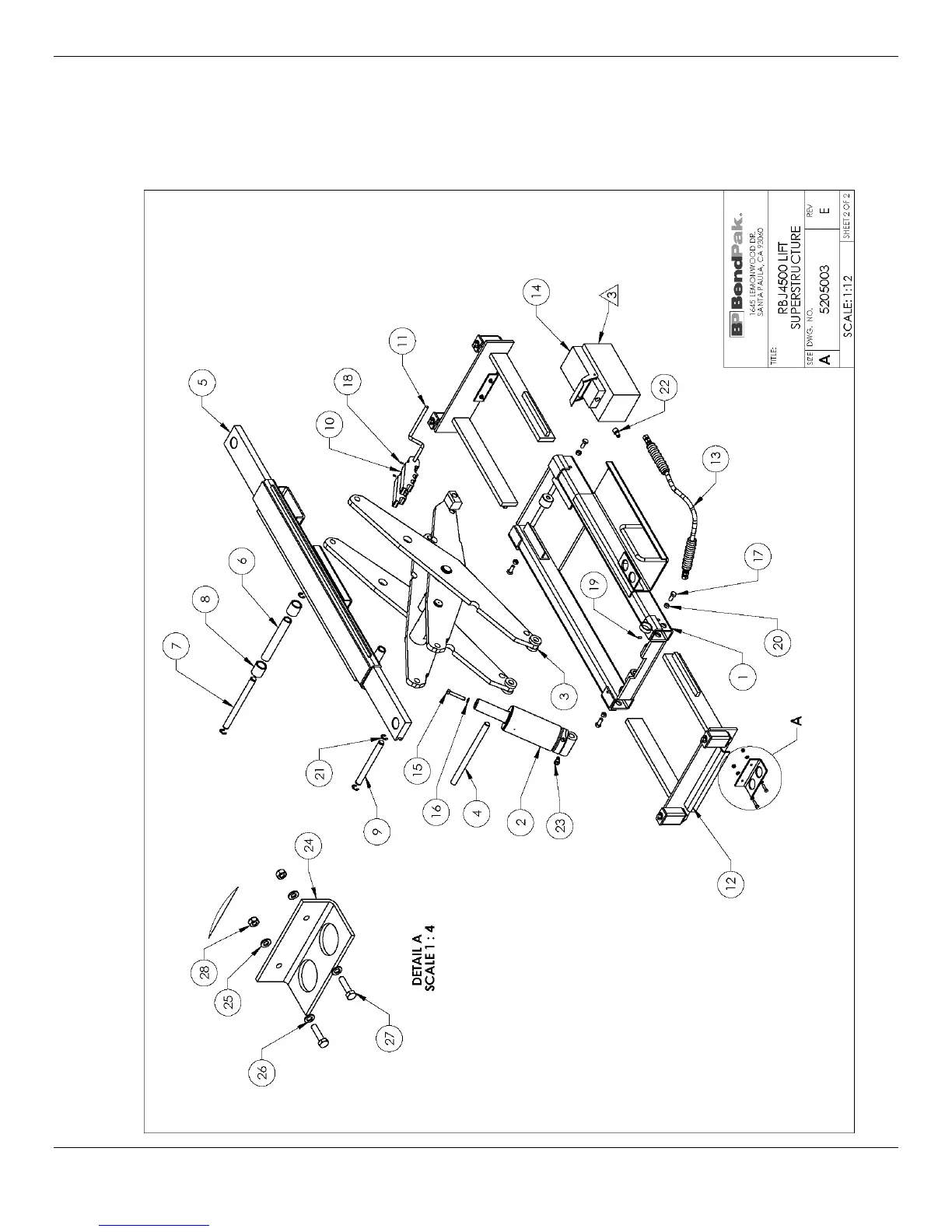
Parts Sheets
Model RBJ4500

Related product manuals