EasyManua.ls Logo

BendPak RBJ7000 - Page 38

Default Icon
57 pages
Print Icon
To Next Page IconTo Next Page
To Next Page IconTo Next Page
To Previous Page IconTo Previous Page
To Previous Page IconTo Previous Page
Loading...
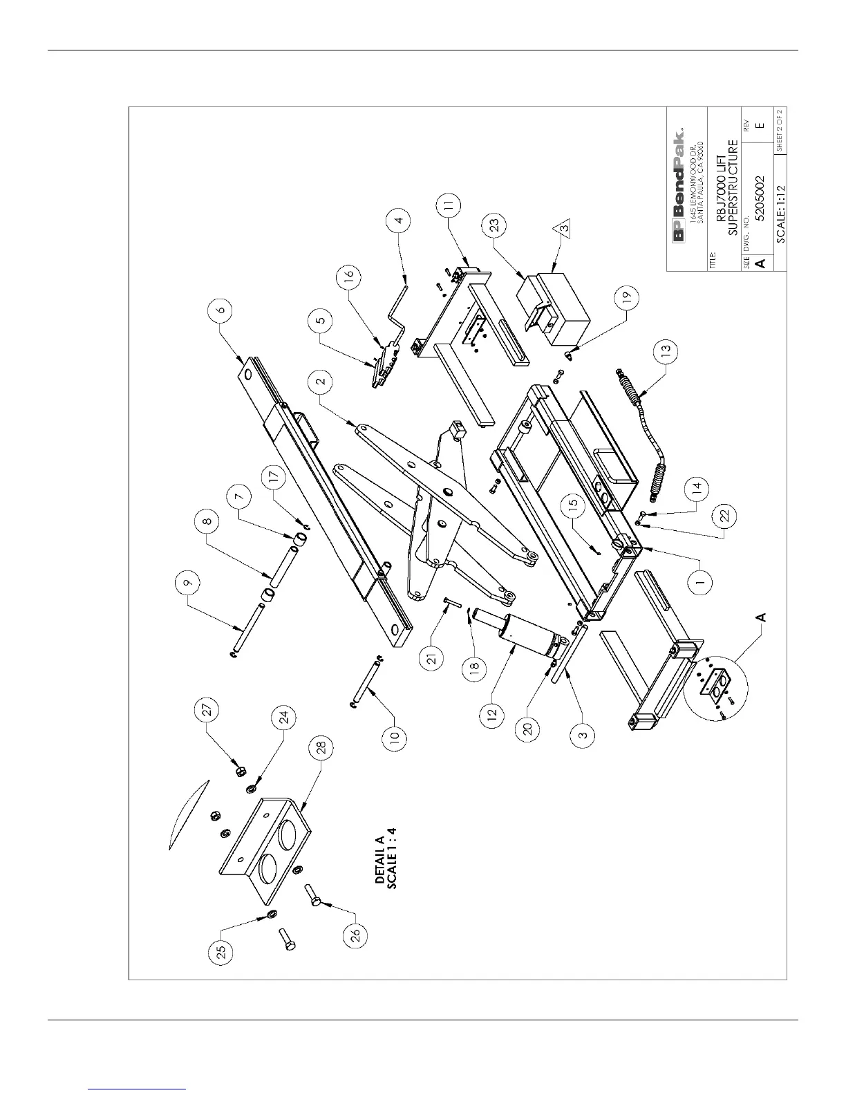
RBJ Series of Rolling Bridge Jacks 38 P/N 5900004 — June 2018 Rev. C2
Model RBJ7000

Related product manuals