EasyManua.ls Logo

Benford 2000 - Page 110

Default Icon
133 pages
Print Icon
To Next Page IconTo Next Page
To Next Page IconTo Next Page
To Previous Page IconTo Previous Page
To Previous Page IconTo Previous Page
Loading...
June 2004 - 9507ED/5
4-17
2 to 9 Tonne Dumper Instruction Manual
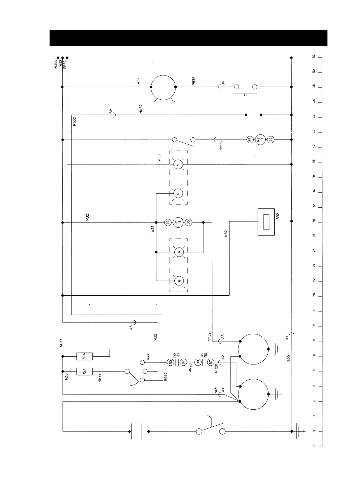
Electric Circuit - 2 and 3 Tonne Lister With Lights
13
14
12
11
10
9
8
7
6
5
3
2
1
4

Table of Contents

Related product manuals