EasyManua.ls Logo

Benford 2000 - Page 120

Default Icon
133 pages
Print Icon
To Next Page IconTo Next Page
To Next Page IconTo Next Page
To Previous Page IconTo Previous Page
To Previous Page IconTo Previous Page
Loading...
June 2004 - 9507ED/5
4-27
2 to 9 Tonne Dumper Instruction Manual
14
13
12
11
10
9
8
7
6
5
3
2
1
4
15
16
17
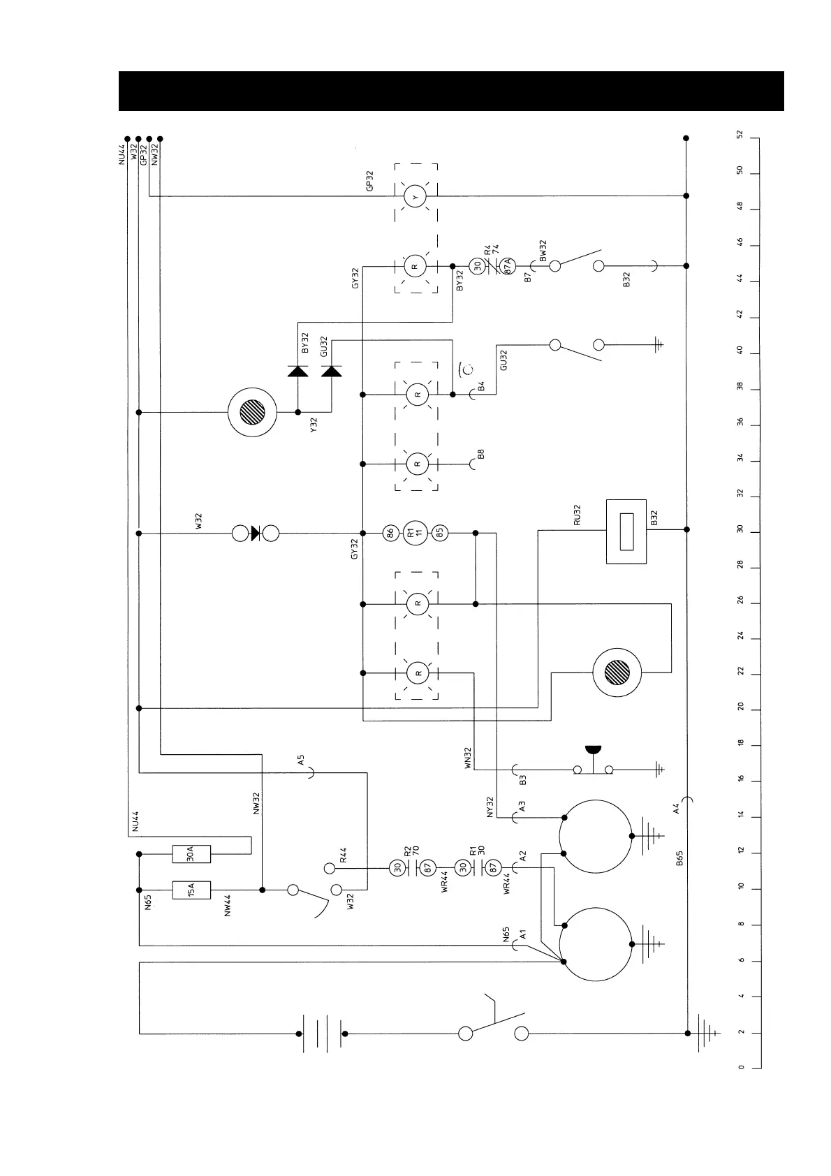
Electrical Circuit - 5 and 6 Tonne Deutz

Table of Contents

Related product manuals