EasyManua.ls Logo

Bentel Security B3G-220 - Connection Example

Bentel Security B3G-220
64 pages
Print Icon
To Next Page IconTo Next Page
To Next Page IconTo Next Page
To Previous Page IconTo Previous Page
To Previous Page IconTo Previous Page
Loading...
18 Universal Cellular Communicator
Connection example
! Incorrect connections may result in FTC fault or improper operation. Inspect wiring and ensure connections are
correct before applying power. DO NOT route any wiring over circuit boards; maintain at least 1” (24.5 mm)
separation. A minimum 1/4” (6.4 mm) separation must be maintained at all points between Power Limited wiring and
all other Not-Power Limited wiring.
To ensure conformity with EN 50136-2, the communicator must be connected and programmed as described in paragraph
“Conformity with EN 50136-2:2013” on page 55.
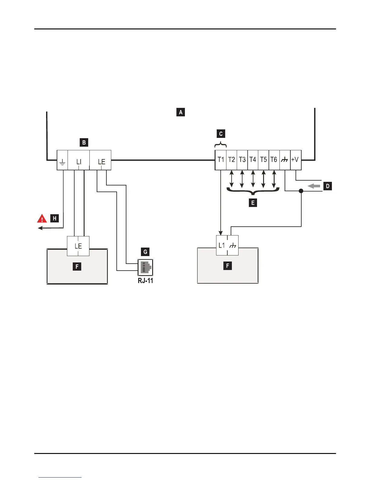
Figure 6 – Connection example: A) Communicator; B) disconnect the telephone line before servicing the unit; C) example
connection of terminal T1 programmed as open-collector output; D) power 10.7 - 27.6 V
_
; E) terminals T1, T2, T3,
T4, T5 and T6 can be programmed as open-collector outputs or input lines; F) burglar alarm panel; G) connection to
telephone line (PSTN); H) ground connection (obligatory).

Related product manuals