EasyManua.ls Logo

Bentone B 30 2A - 9 Oil Burner Control; Wiring Diagram

Bentone B 30 2A
44 pages
Print Icon
To Next Page IconTo Next Page
To Next Page IconTo Next Page
To Previous Page IconTo Previous Page
To Previous Page IconTo Previous Page
Loading...
33 Bentone
165 105 27
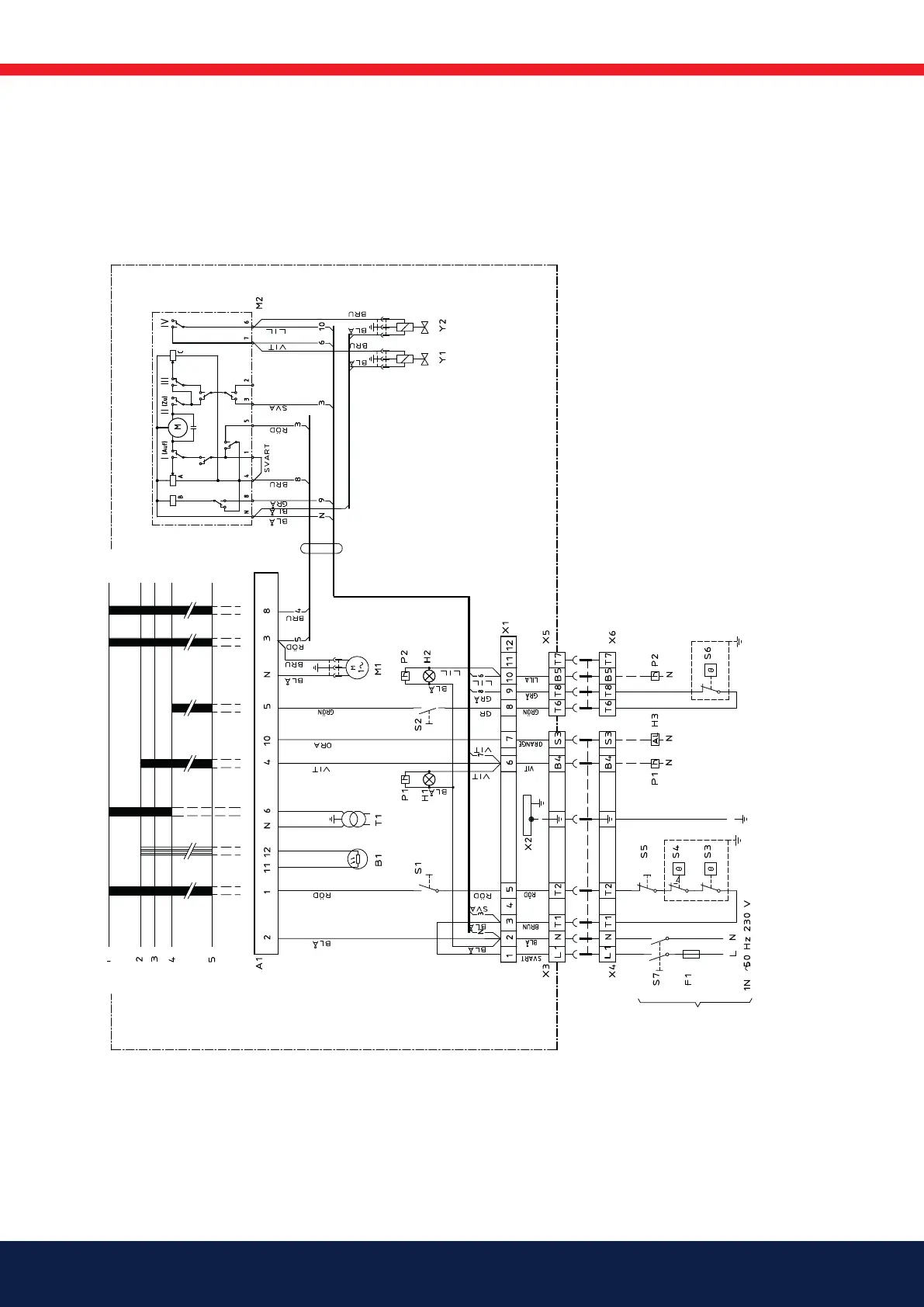
9. Oil burner control
9.1 Wiring diagram
If the boiler is not
equipped with wired
contacts,connect the
enclosed contacts to
terminals X4 and X6 in
accordance with wiring
diagram.

Related product manuals