EasyManua.ls Logo

Bentone BG200 - Electric Equipment; Wiring Diagram LGB22;LMG22;LME22 (BG550;BG650) 2-Stage

Bentone BG200
58 pages
Print Icon
To Next Page IconTo Next Page
To Next Page IconTo Next Page
To Previous Page IconTo Previous Page
To Previous Page IconTo Previous Page
Loading...
14
172 435 80 08-01
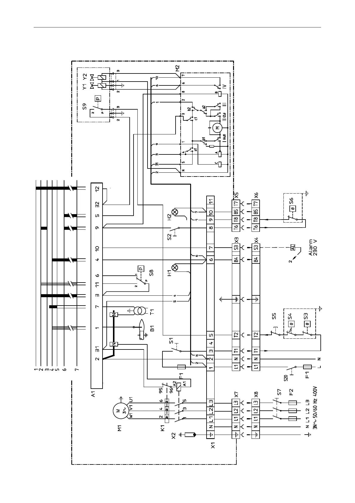
ELECTRIC EQUIPMENT
Wiring diagram LGB22/LMG22/LME22 (BG550/BG650) 2-Stage
1(2)

Table of Contents

Related product manuals