EasyManua.ls Logo

Bentone BG200 - Components LGB;LMG;LME 2-Stage; Function LGB;LMG;LME

Bentone BG200
58 pages
Print Icon
To Next Page IconTo Next Page
To Next Page IconTo Next Page
To Previous Page IconTo Previous Page
To Previous Page IconTo Previous Page
Loading...
16
172 435 43 08-02
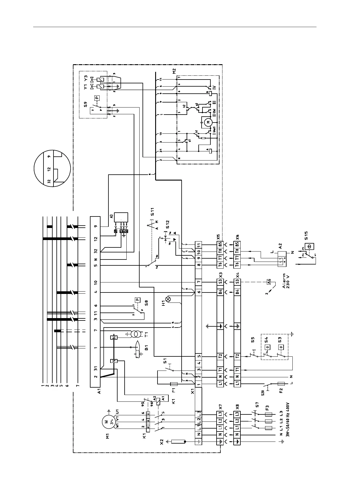
ELECTRIC EQUIPMENT
Wiring diagram LMG22/LME22 (BG550/BG550LN/BG650) Modulating
1(2)
Design without A3

Table of Contents

Related product manuals