EasyManua.ls Logo

Bentone BG200 - Components LFL1 Modulating; Function LFL1 Modulating

Bentone BG200
58 pages
Print Icon
To Next Page IconTo Next Page
To Next Page IconTo Next Page
To Previous Page IconTo Previous Page
To Previous Page IconTo Previous Page
Loading...
28
172 435 94 07-01
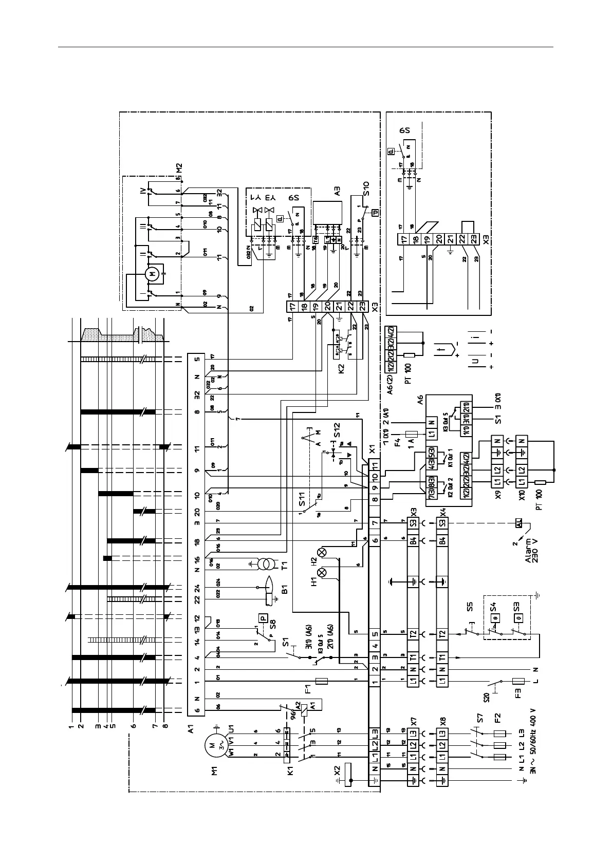
ELECTRIC EQUIPMENT
Wiring diagram LFL1... (BG550/BG550LN/BG650) Modulating with R316
1(2)
DAMPER POSITION
Design without A3
Design without S10

Table of Contents

Related product manuals