EasyManua.ls Logo

Bentone BG200 - Components LFL1 2-Stage; Function LFL1 2-Stage

Bentone BG200
58 pages
Print Icon
To Next Page IconTo Next Page
To Next Page IconTo Next Page
To Previous Page IconTo Previous Page
To Previous Page IconTo Previous Page
Loading...
26
172 435 77 04-01
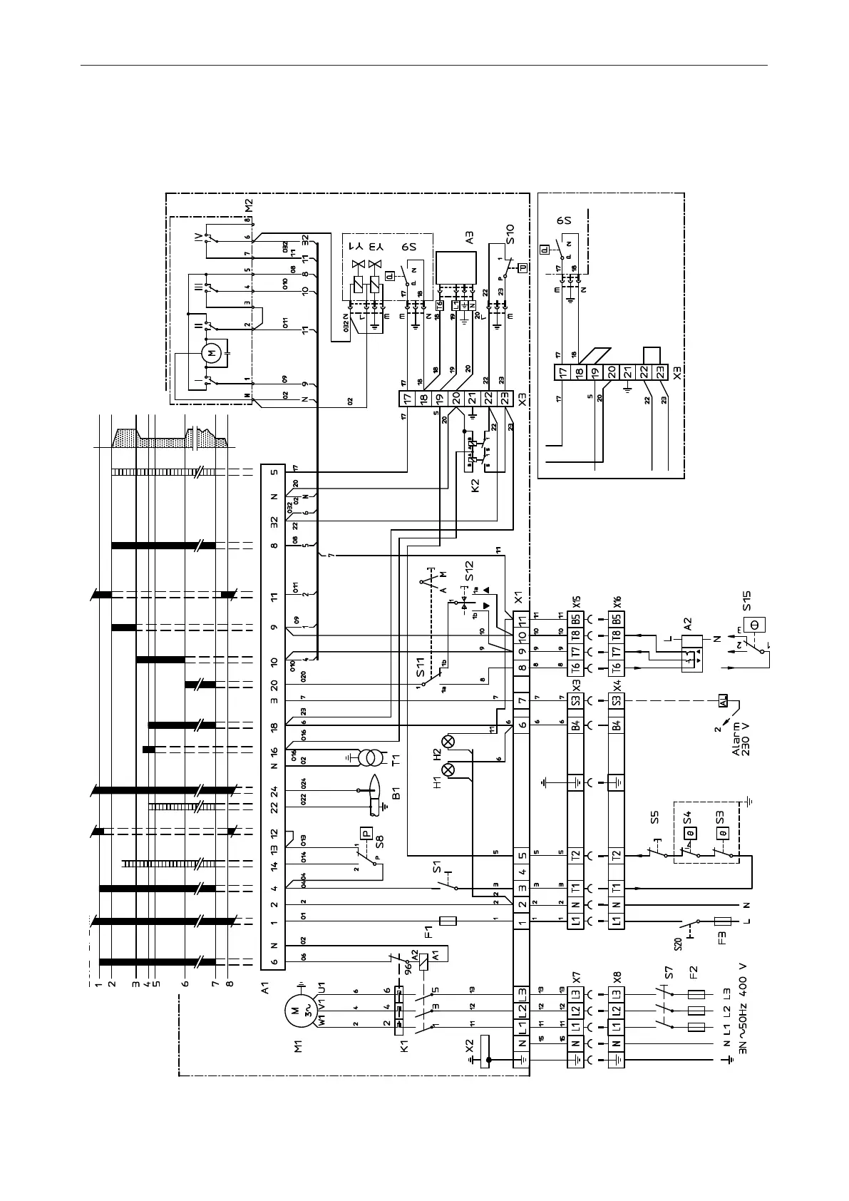
ELECTRIC EQUIPMENT
Wiring diagram LFL1... (BG550/BG550LN/BG650) Modulating
1(2)
Design without A3
Design without S10
DAMPER POSITION

Table of Contents

Related product manuals