EasyManua.ls Logo

Berchtold CHROMOPHARE E 778 - Diagrams; Chromopharee 778

Berchtold CHROMOPHARE E 778
116 pages
Print Icon
To Next Page IconTo Next Page
To Next Page IconTo Next Page
To Previous Page IconTo Previous Page
To Previous Page IconTo Previous Page
Loading...
LED surgical lights, single and combination lights CHROMOPHARE
®
E 778, E 668, E 558
Appendix
98
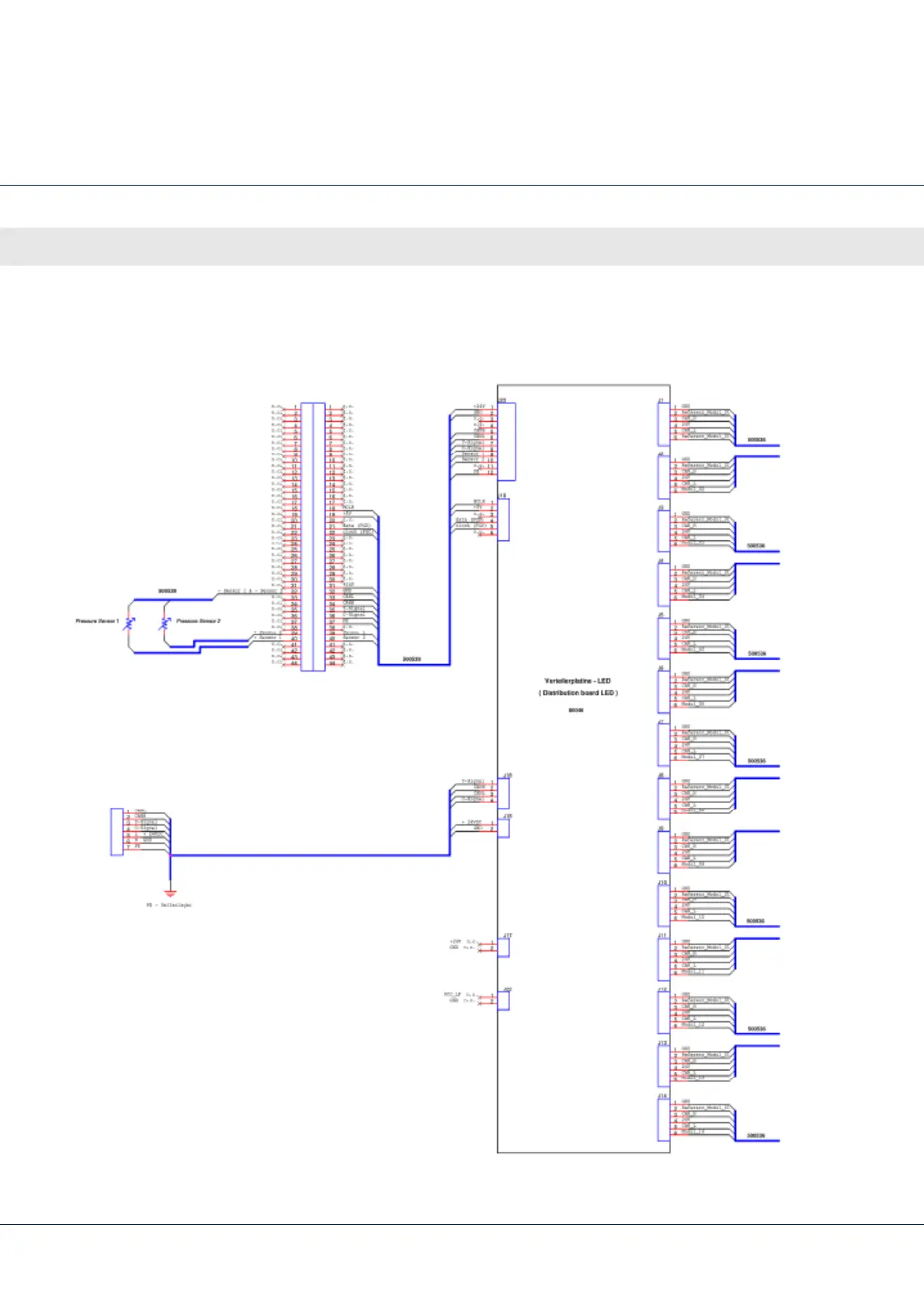
15.2 Diagrams
15.2.1 CHROMOPHARE
E 778
Fig. 63 Diagram CHROMOPHARE
E 778

Table of Contents

Related product manuals