EasyManua.ls Logo

Berges ACM-D2 2.2kW - Input Circuit

Default Icon
64 pages
Print Icon
To Next Page IconTo Next Page
To Next Page IconTo Next Page
To Previous Page IconTo Previous Page
To Previous Page IconTo Previous Page
Loading...
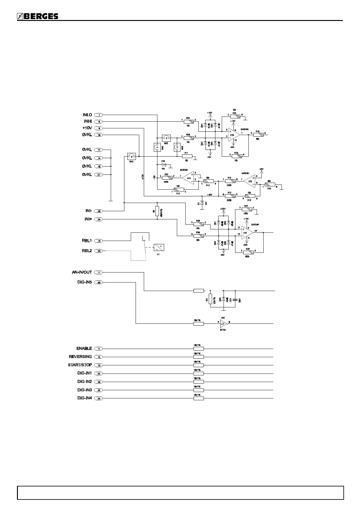
14.9. Input circuit
BERGES electronic
29.05.98 Operating manual ACM-D2 27

Table of Contents