EasyManua.ls Logo

Bintelli B1 - Wiring Diagram

Bintelli B1
31 pages
Print Icon
To Next Page IconTo Next Page
To Next Page IconTo Next Page
To Previous Page IconTo Previous Page
To Previous Page IconTo Previous Page
Loading...
29
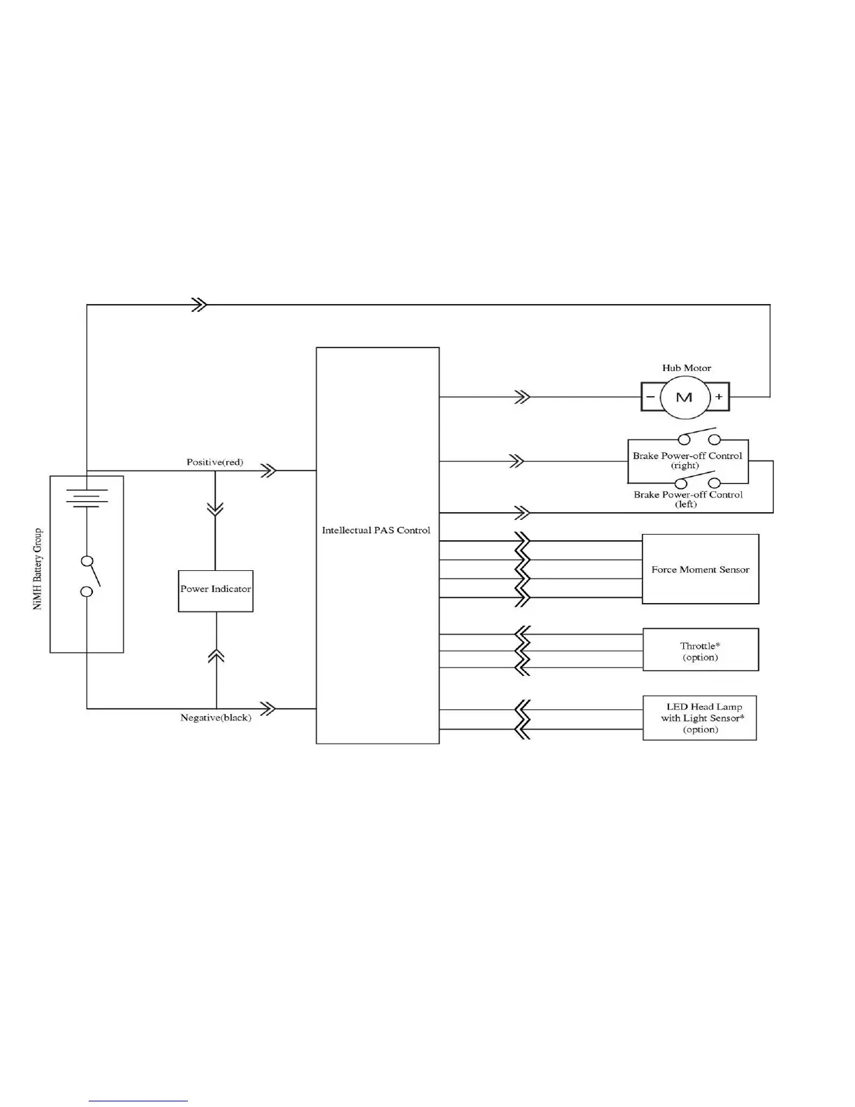
Wiring diagram
(Diagram is for representational purpose only. Your bicycle's wiring system may differ)