EasyManua.ls Logo

BIRD 43 - Page 13

BIRD 43
58 pages
Print Icon
To Next Page IconTo Next Page
To Next Page IconTo Next Page
To Previous Page IconTo Previous Page
To Previous Page IconTo Previous Page
Loading...
3
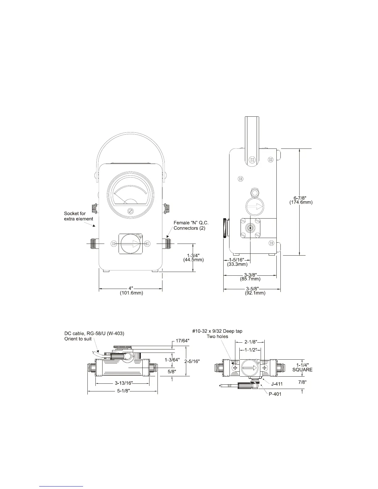
Figure 2
Bird 43 Thruline Wattmeter
Outline Drawing

Related product manuals