EasyManua.ls Logo

BIRO EMG-32 - Optional Pneumatic Foot Switch; Pneumatic Foot Switch Assembly

BIRO EMG-32
40 pages
Print Icon
To Next Page IconTo Next Page
To Next Page IconTo Next Page
To Previous Page IconTo Previous Page
To Previous Page IconTo Previous Page
Loading...
23
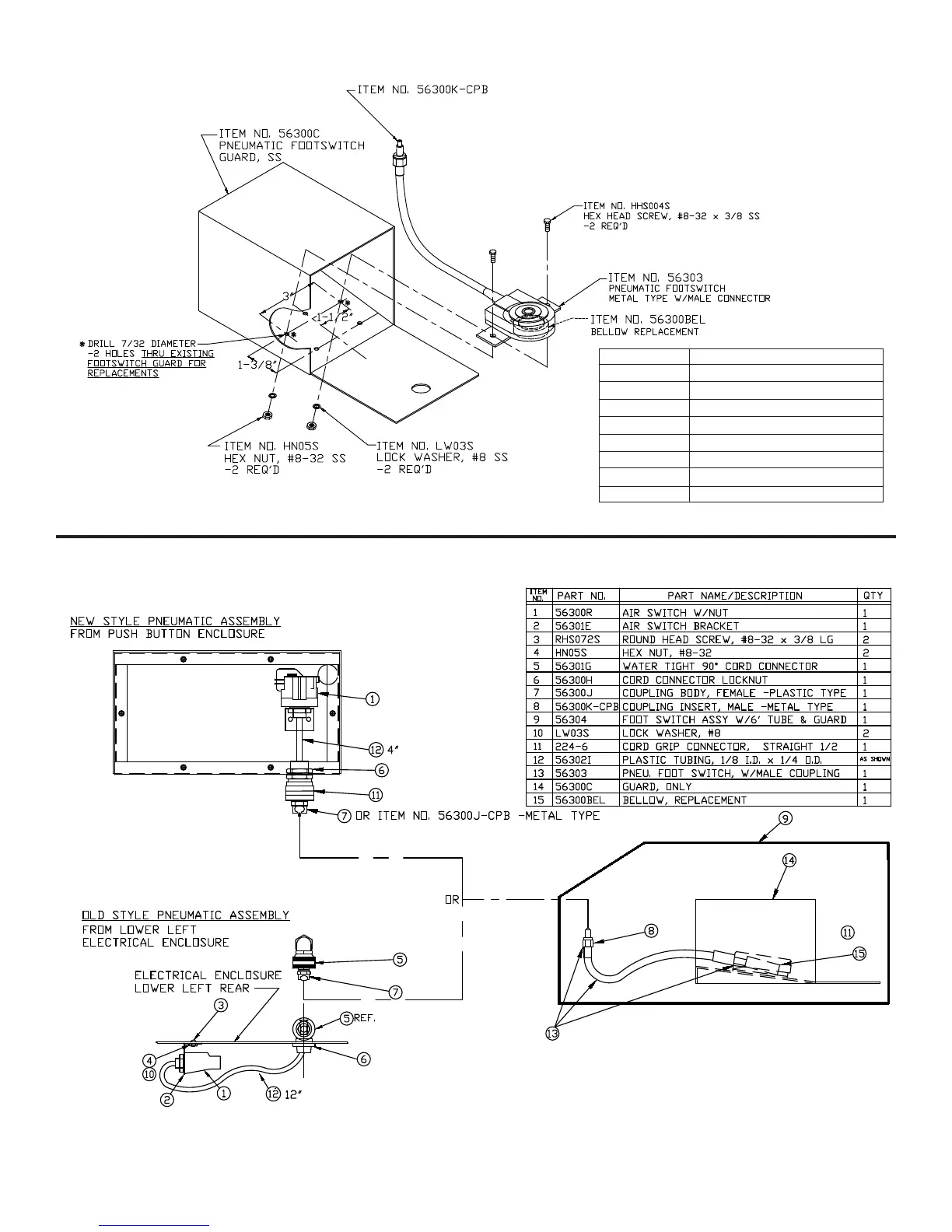
OPTIONAL PNEUMATIC
FOOT SWITCH
#56304
Part No.
56300BEL
DESCRIPTIONS
56300C
56300K-CPB
56303
56304
HHS004S
HN05S
LW03S
Bellow, Replacement
Guard Only
CPB Coupling Metal Body-Male
Foot Switch w/Male Coupling
Foot Switch Assembly Complete
Hex Head Screw, #8 - 32 x ā…œ
Hex Nut #8 - 32
Lock Washer #8
PNEUMATIC FOOT SWITCH ASSEMBLY

Related product manuals