EasyManua.ls Logo

BIRO EMG-32 - Belt Drive Option; Belt Drive Components

BIRO EMG-32
40 pages
Print Icon
To Next Page IconTo Next Page
To Next Page IconTo Next Page
To Previous Page IconTo Previous Page
To Previous Page IconTo Previous Page
Loading...
30
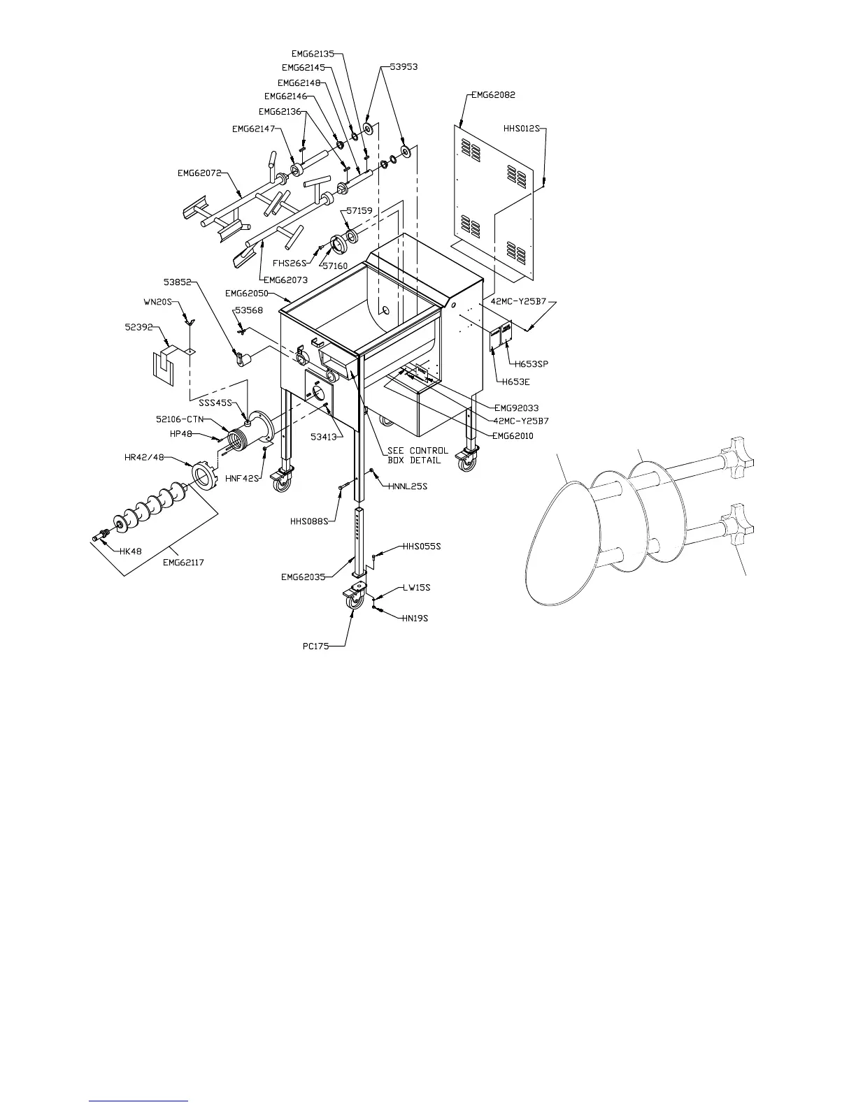
EMG62010
Auger motor shim
EMG62035
Adjustable leg weldment
EMG62050
Hopper weldment
EMG62072
Male paddle assembly- LH
EMG62073
Female paddle assembly- RH
EMG62082
Access cover
EMG62135
¼” key, 7/8 - 1” long
EMG62135-1
¼” key, 1¼” long,- shaft to sprocket
EMG62136
¼” key, 1-7/16” long,- spur gear key
EMG62145
Retaining ring
EMG62146
Drive shaft sleeve
EMG62147
Left hand female paddle drive shaft
w/ sleeve and ring
EMG62041-1
Left hand female paddle drive shaft
weldment only
EMG62148
Right hand male paddle drive shaft
w/ sleeve and ring
EMG62117
Auger assembly
Item No.
Description
EMG62050-1
Right hand male paddle drive shaft
weldment only
EMG62200
Side inlet seal
EMG92033
Model & S/N plate
FHS26S
Flat head screw 10-32 x ¾, SS
HHS012S
Hex head screw 10-32 x ½, SS
HHS055S
Hex head screw 5/16-18 x ¾, SS
HHS088S
Hex head screw ⅜-16 x 2¼,SS
HK48
Knife drive pin
HNNL25S
Hex nylock nut ⅜-16, SS
HN19S
Hex nut 5/16-18, SS
HNF42S
Hex ange nut ½-13, SS (3 req.)
HP48
Bowl plate pin (3 req.)
H653E
Grinder warning label- English
H653SP
Grinder warning label- Spanish
LW15S
Lock washer 5/16, SS
PC175 -1
Swivel caster assembly
SSS45S
Meat deector mounting stud
WN20S
Wing nut
14688
Locking knob
42MC-Y25B7
Pop rivet, Al. ⅛ x ¼ reach
HR42/48
Ring
Item No.
Description
52106-CTN
Bowl w/ plate pins
52392
Meat deector
53413
Bowl mounting studs- short (1 req.)
53413-2
Bowl mounting stud- long (2 req.)
53568
Mixer paddle lock screw
53852
Lock arm assembly
53953
Mixer drive shaft seal
54303
Outer disc
57159
Auger drive shaft seal
57159K
Auger drive shaft seal kit
57160
Seal retainer, SS
EMG62200
54303
14688

Related product manuals