EasyManua.ls Logo

Bitzer ECOSTAR LHV5E - Possibilities of Compressor Control

Bitzer ECOSTAR LHV5E
56 pages
Print Icon
To Next Page IconTo Next Page
To Next Page IconTo Next Page
To Previous Page IconTo Previous Page
To Previous Page IconTo Previous Page
Loading...
24
6.2 Possibilities of compressor
control
The compressor in the condensing
unit can be controlled either suction
pressure-guided or temperature-guid-
ed.
Suction pressure-guided compres-
sor control (factory setting)
6.2 Possibilités de
la régulation du
compresseur
Le compresseur dans le groupe de
condensation peut être réglé soit contrô-
lée de la pression d'aspiration soit contrô-
lée de la température.
Régulation contrôlée de la pression
d'aspiration (réglage d'usine)
6.2 Möglichkeiten der Verdichterre-
gelung
Der Verdichter im Verflüssigungssatz
kann entweder saugdruckge führt oder
temperaturgeführt geregelt werden.
Saugdruckgeführte Verdichter -
regelung (Werkseinstellung)
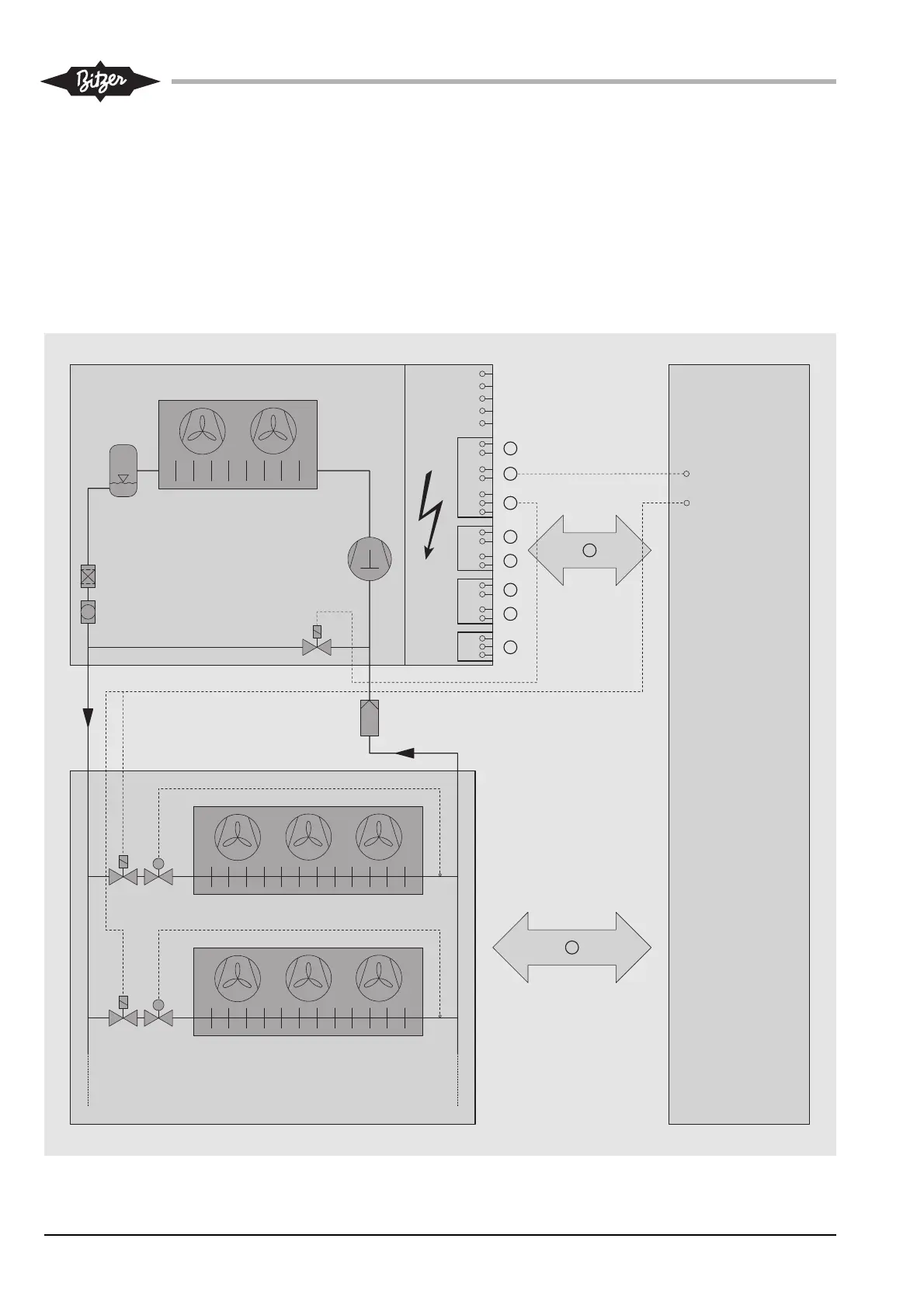
KT-203-1
Abb. 4 Saugdruckgeführte Regelung des
Verdichters
Legende siehe Abb. 5.
Fig. 4 Suction pressure-guided control of
compressor
Legend see fig. 5.
L2
L3
PE
N
1
2
3
4
13
14
1
2
3
9
Kühlmöbel 1 / Display cabinet 1 / Armoire réfrigérée 1
Anlagenregler
System controller
deRégulateur
l'installation
Kühlmöbel 2 / Display cabinet 2 / Armoire réfrigérée 2
Kühlmöbel 3 / Display cabinet 3 / Armoire réfrigérée 3
10
L1
X101
CN 31
ECOSTAR
PE
3
11
9
10
4
5
X102
CN12
1
3
2
6
6
7
1
2
8
3
Y2
Y1
Y1
Fig. 4 Régulation contrôlée de la pression
d'aspiration du compresseur
Légende voir fig. 5

Related product manuals