EasyManua.ls Logo

Blastrac BMP-320 - Page 64

Blastrac BMP-320
73 pages
Print Icon
To Next Page IconTo Next Page
To Next Page IconTo Next Page
To Previous Page IconTo Previous Page
To Previous Page IconTo Previous Page
Loading...
Operating Manual BMP-320
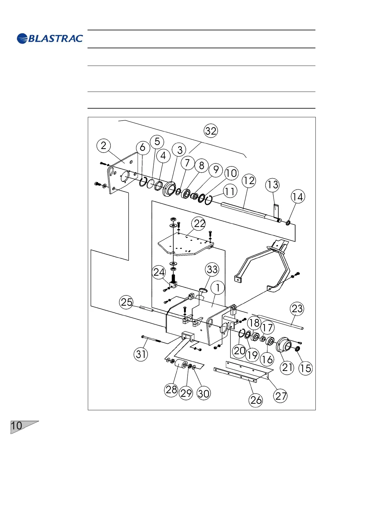
Spare parts / Assembly plans
Machine housing spare parts
Fig. 10.4
8

Table of Contents

Related product manuals