EasyManua.ls Logo

Blodgett BCX14E - Page 65

Blodgett BCX14E
85 pages
Print Icon
To Next Page IconTo Next Page
To Next Page IconTo Next Page
To Previous Page IconTo Previous Page
To Previous Page IconTo Previous Page
Loading...
5
5
4
4
3
3
2
2
1
1
D D
C C
B B
A A
Y
BK
Br
V
BK
Bk
Bl
W
BK
BK
OR
BKBK
W BL
W-2
A_24Vdc [0..2]
+24Vdc_Rtn
RD/BK-3[1..2]
R-2
+24Vdc
Ctrl 24Vac [0..2]
Drv_Fault_L
Mtr_Fwd_Ena_L
Mtr_Spd_Sel_Bit_0_Ena_L
Drv@Set Spd_L
Mtr_Spd_Sel_Bit_1_Ena_L
Mtr_Rev_Ena_L
Hotair_Heat_On
Hotair_24VDC
Cavity_Hi _Limit_H
Boiler_24VDC
Boiler_Hi_Limit_H
+24VDC_RTN
+24VDC_RTN
Boiler_Heat_On
BK-21/BK/9
BK-5
BK-16
+24VDC
+24VDC_RETURN_BK10/BK6
Title
DRAWING NUMBER REV
SHEET
OF
THIS DRAWING IS THE PR OPERTY OF G.S. BLOD GETT COR PORATION. NEITHER THIS DRAWING
NOR ANY INFOR MATION CO NTAINED H EREIN MAY BE COPIED OR USED, IN WHOLE OR IN PART,
WITH OUT TH E EXPRESS WRITTEN PE RMISSION OF THE G.S. BLODGETT CORPORATION.
© G. S. BLOD GETT CORP ORAT ION . U NPU BLIS HED WOR K. ALL RI GHTS RE SERV ED
50 L AKES IDE AVE . B URLI NGT ON, VER MON T 05 401
G.S. BLODGETT CORPORATION
SCALE
DATE
DW G
BY
DATE
A PR
BY
GA GE
MA TL
TO LE RAN CE S UNL ES S OTH ERWI SE SPEC IFI ED
.X XX .XX ANGULAR HOLE
±.015 ±.03 ± 1° ±.005
R EV E CN RE VI SION S D AT E
APR BY
53852 A
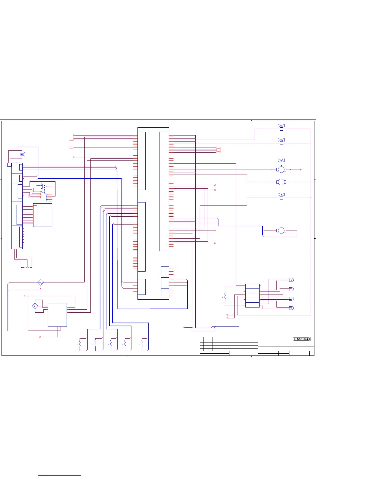
SCHEMATIC, BCX14E, MENUSELECT, 480V
21MH
MH
09-09-10
09-09-10 NONE
-
-
A
B1 0-1 53
MH
09- 09- 10
-
IN IT IA L RELE ASE
-
_ __-_ __
-
-
__- __- __
___
-
_ __-_ __
-
-
__- __- __
___
-
_ __-_ __
-
-
__- __- __
___
V-16
WH/ BK- 1, 22a wg twisted pai r
BL-10
M96 16
+ -
RD-23
RD-22
OR-22
GY-9
RD-5
GY-18
GY-19
GY-14
GY-17
GY-9
BK-5
BK-21
RD(RD/BK-3)
BK(RD/BK-3)
Y-6
BK-15
Y-6
GY-15
Y/B K-1 , 2 2aw g t wiste d pair
WH/ BK- 2, 22a wg twisted pai r
39324
BK-22/BK-27GY_16
RD(RD/Y/BK-1)
Y(RD/Y/BK-1)
BK(RD/Y/BK-1)
39337
GY-20
V/B K-1 , 2 2aw g t wiste d pair
39793
OR-18
V-13
RD/ BK- 1, 22a wg twisted pai r
R
Bk
OR/BK 2
Pro bes : 1 k RTD
BL/ BK- 1, 22a wg twisted pai r
D0119 (X 4)
RD-22
RD-24
OR-8
BK-9/BK10
BK-10/BK-23
BL-10
397 93
OR-18
50725
50310 39800 39800 39 800 39783
39998
39378
Y-7
O-5
RD-25
RD-16
V-16
RD-27
BK-26
RD-26
BK-14
Y-9
OR-8
Y-9
BK-22
BK-16
WATER
LEVEL
SENSOR
RD-8
V-3
BL-6
V-3
BL-6
BL-6
Y
RD
BK
BL-5
BL-4
BL-3
18234
V
Y
OR
(RD/WH-1) ,(RD/WH-2), 2 2awg twisted pair
BL-7
BL-8
BL-9
RD
V
WH(RD/WH-1)
RD(RD/WH-1)
Aux I/O Lower Ke ypad Header
Mode Swit ch Header 24 VAC_PWR
SCK_COMM
MANUAL CO NTROL - 53697
J38
J37
J4
J12
J35
J20
U2
1
2
3
8
7
6
5
4
3
2
1
12
11
10
9
8
7
6
5
4
3
2
1
+24Vdc
Out_1
Out_2
Out_3
Out_4
Out_5
Out_6
Out_7
Out_8
Com
1
2
3
Out_8
Out_9
Out_10
T1
T2
T3
1
2
Relay Outputs
Digital Inputs Analog Inputs
24VAC_Pwr
+24VDC
+24VDC
+24VDC
+24VDC
VFD - Relay Interface Module
PWM RS232 Buzzer
PWM OUT
PWM OUT
DGND
RS232 Out
RS232 In
DGND
+24VDC
Buzzer
DGND
24VAC
Cir_Pump
K2B_Com
+24VDC
+24VDC
+24VDC_Rtn
Spritzer_Sol
Quench
Chemical_Pump
Cavity_Drain-
Cavity_Drain+
K2B_NO
HotAir_He at_Ena
SSR_A1
SSR_A2
+24VDC_Rtn
+24VDC
Boiler_He at_Ena
Boiler_Heat_On
Spd_Sel_Bit_0
Spd_Sel_Bit_1
Fwd_Ena_L
Rev_Ena_L
Cooling_Fan
Door_Closed_H
Cavity_Hi_Lmt
Drv_@Setspd_L
Safety_Sw _Closed_H
SSR_HeatSink_H
Door_Latched_H
Oven Prb
Oven Prb
Ctrl_Zone_Prb
Ctrl_Zone_Prb
Quench_Prb
Quench_Prb
Product_Prb
Product_Prb
Boiler_Prb
Boiler_Prb
Dig_Gnd
Dig_Gnd
Dig_Gnd
Boiler_Drain -
Boiler_Drain +
+24VDC_Rtn
+24VDC
K8-C
K8-NO
Drv_Ok
Drv_Ok
Boiler_24V
HotAir_24V
Oven_On
Oven_On
Delime_Pump
Lights
+24VDC
Vent
+24VDC
+24VDC
Buzzer
Oven_Off_H
Drv_Fault_L
+24Vdc_Out
Boiler_Hi_Lmt
Lo_Lvl_Float
Hi_Lvl_Float
+24Vdc_Out
+24Vdc_Out
Fill_Sol
U3
J2.1
J2.2
J2.3
J2.4
J2.5
J2.6
J2.7
J2.8
J2.9
J2.10
J2.11
J2.12
J3.1
J3.2
J3.3
J3.4
J3.5
J3.6
J3.7
J3.8
J3.9
J3.10
J3.11
J3.12
J6.1
J6.2
J6.3
J6.4
J6.5
J6.6
J6.7
J6.8
J6.9
J6.10
J6.11
J6.12
J18.1
J18.2
J18.3
J18.4
J18.5
J18.6
J18.7
J18.8
J18.9
J18.10
J18.11
J18.12
J20.1
J20.2
J20.3
J20.4
J20.5
J20.6
J20.7
J20.8
J20.9
J20.10
J20.11
J20.12
J11.1
J11.2
J11.3
J11.4
J11.5
J11.6
J11.7
J11.8
J11.9
J11.10
J1.1
J1.2
J1.3
J1.4
J1.5
J1.6
J1.7
J1.8
J1.9
J1.10
J15.1
J15.2
J15.3
J15.4
J15.5
J15.6
J15.7
J15.8
J41.1
J41.2
J41.3
J41.4
J41.5
J41.6
J41.7
J41.8
J8.1
J8.2
J8.3
J8.4
J8.5
J8.6
J8.7
J8.8
J17.1
J17.2
J17.3
J17.4
J17.5
J17.6
J17.7
J17.8
J16.1
J16.2
J16.3
J16.4
J16.5
J16.6
J16.7
J16.8
J19.1
J19.2
J19.3
J5.1
J5.2
J5.3
J14.1
J14.2
J14.3
J13.1
J13.2
J13.3
J19.4
t
RT1
Ca vity
SENSOR
INPUT
LOW
RELAY
HI GH
RELAY
53247
HI_BLU
HI_BRN
HI_K2_COM
HI_BLK HI_K2_+
LO_K1_+
LO_K1_COM
220/24
RETURN
1
2
A
-
+
MG2
Drain Actuator
1 2
Quench Solenoid
1 2
t
RT3
Quench
t
RT1
THERMISTOR
t
RT5
Boiler
t
RT2
Inverter_H.S.
1
2
Mtr_2
Cooling_Blwr
1 2
SW3
Bl Bk
Br
SW2
Door_Sw Proximity
Halogen Lamp-12V
1
2
Lower Key pad (Light/Fan/Vent)
10
12
5
11
4
6
7
8
9
3
2
1
Vent_Sol
1 2
PZ1
FRONT PANEL BUZZER
-
+
Fill Solenoid
1 2
TB2
Term_Blk_5p
1_A
1_B
2_A
2_B
3_A
3_B
1_C
1_D
2_C
2_D
3_C
3_D
4_A
4_B
4_C
4_D
5_A
5_B
5_C
5_D
12
6
8
10
4
1
2
3
5
7
9
11
OFF
CO M BI
ST EAM
H OT AIR
C OO L DO W N
O FF
C OO L DO W N
CO M BI
H OT AIR
ST EAM
SW1
Mode_Sw
R1
POT
1
2
MG1
Delime Pump
1 2
t
RT4
Product

Related product manuals