EasyManua.ls Logo

BMW Z3 E37 1998 - Page 156

BMW Z3 E37 1998
347 pages
Print Icon
To Next Page IconTo Next Page
To Next Page IconTo Next Page
To Previous Page IconTo Previous Page
To Previous Page IconTo Previous Page
Loading...
paragon.myvnc.com
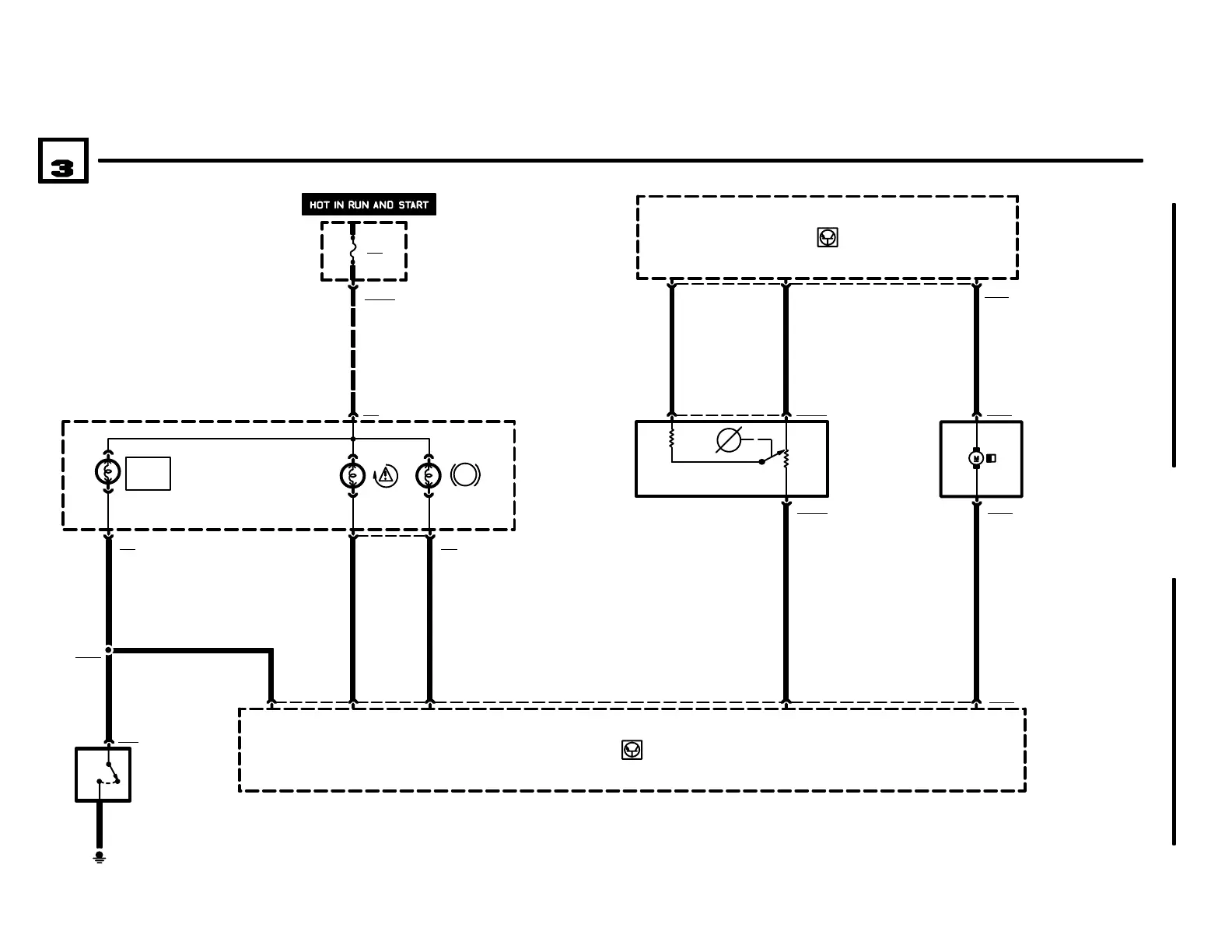
SLIP CONTROL (ABS/ASC)
04/99
3450.1Ć
1998
09
A52
SLIP CONTROL
MODULE
(ABS/ASC)
R31
AUXILIARY
THROTTLE
POSITION SENSOR
1 X10239
2
X102393
A52
SLIP CONTROL
MODULE
(ABS/ASC)
39 X117531
12
X1175
4367
.5 WS/RT.5 WS/BL
.5 BL/BR .5 WS/BR
76 30
X1721
.35 GR/SW/GE
BM
BMW
BMWBMW
Z3
23
2.5 SW/GN/GE
53
M93
AUXILIARY
THROTTLE
POSITION MOTOR
(ADS)
1 X8533
X85332
ABS
14 X10017
F27
5A
FUSE DETAILS
0670.3
23 X16
P90
FRONT POWER
DISTRIBUTION BOX
X1617
.5 BR/GN
S31
PARK BRAKE
SWITCH
1) BRAKE SET
2) BRAKE NOT SET
X423
1
21
+
.5 BR/GN
.5 BR/GN
X1682
A2w
INSTRUMENT
CLUSTER
2.5 SW/BR/GE
PARK
BRAKE
M ROADSTER

Related product manuals