EasyManua.ls Logo

BMW Z3 E37 1998 - Rear Window Defogger

BMW Z3 E37 1998
347 pages
Print Icon
To Next Page IconTo Next Page
To Next Page IconTo Next Page
To Previous Page IconTo Previous Page
To Previous Page IconTo Previous Page
Loading...
paragon.myvnc.com
BM
BMW
BMWBMW
Z3
04/99
6424.0Ć
1998
01
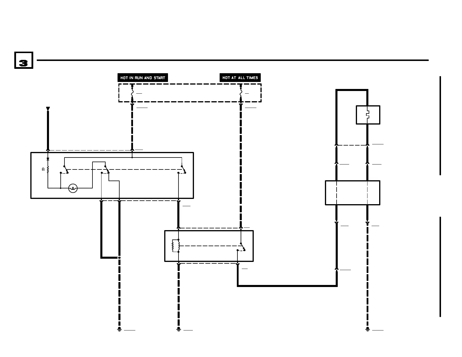
REAR WINDOW DEFOGGER
P90
FRONT POWER
DISTRIBUTION BOX
.5 GR/RT
7
5
4 X8983
X898
S76
REAR WINDOW
DEFOGGER
SWITCH
1) OFF
2) ON
F23
5A
X10017
6
FUSE DETAILS
0670.3
LIGHT SWITCH
DETAILS
6300.0
X3801
E99
HARD TOP
CONNECTOR 1
8
1
GROUND
DISTRIBUTION
0670.4
X18170
2.5 SW
.5 BR.5 BR
GROUND
DISTRIBUTION
0670.4
X13006
100
121212
1 X12661 X1265
2 X130171
E9
REAR DEFOGGER I
2.5 SW 2.5 SW
X379
1 X11209
2.5 SW
LATE PRODUCTION
F6
20A
X10015
12
FUSE DETAILS
0670.3
GROUND
DISTRIBUTION
0670.4
X9633
X6324
8
6
X63
.5 BL/SW
K9
UNLOADER RELAY,
TERMINAL 15
86
85
30
87

Related product manuals