EasyManua.ls Logo

BMW Z3 E37 1998 - Instrument Cluster

BMW Z3 E37 1998
347 pages
Print Icon
To Next Page IconTo Next Page
To Next Page IconTo Next Page
To Previous Page IconTo Previous Page
To Previous Page IconTo Previous Page
Loading...
paragon.myvnc.com
BM
BMW
BMWBMW
Z3
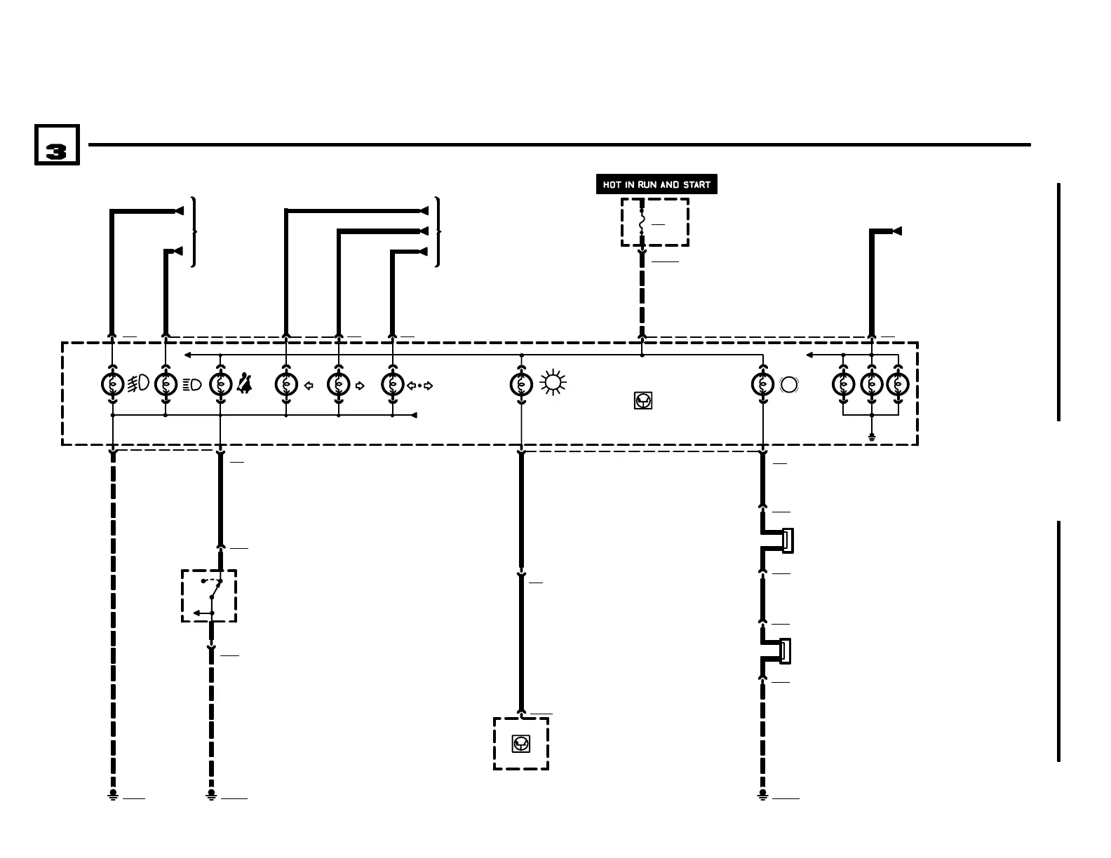
INDICATORS
04/99
6211.0Ć
1998
01
INSTRUMENT CLUSTER
3
GROUND
DISTRIBUTION
0670.4
A2w
INSTRUMENT
CLUSTER
HEADLIGHTS/FOG
LIGHTS
6312.0
TURN/HAZARD
LIGHTS
6313.0
LIGHT SWITCH
DETAILS
6300.0
.75 GE/BR
X17
.35 WS
1
.5 BL/GN
4
.5 BL/BR
X163
.5 WS/RT
X171
.5 GR/RT
X162
5
19 X16
.5 GR/BR
A8500
TRANSMISSION
CONTROL MODULE
(EGS)
2 X713
25 X8500
25
2X118
1X118
1 X713
.5 GE
B16
LEFT FRONT
BRAKE PAD
SENSOR
.5 GE
B17
RIGHT REAR
BRAKE PAD
SENSOR
.5 GR/BR
31
S58
DRIVERS SEAT
BELT SWITCH
1) BELT
UNBUCKLED
2) BELT BUCKLED
2 X778
14 X17
1 X778
14 X10017
23
P90
FRONT POWER
DISTRIBUTION BOX
FUSE DETAILS
0670.3
GROUND
DISTRIBUTION
0670.4
X69
GROUND
DISTRIBUTION
0670.4
.5 BL/VI/GE
F27
5A
X9633 X10010 X13006
!
21
8

Related product manuals