EasyManua.ls Logo

BMW Z3 E37 1998 - Page 211

BMW Z3 E37 1998
347 pages
Print Icon
To Next Page IconTo Next Page
To Next Page IconTo Next Page
To Previous Page IconTo Previous Page
To Previous Page IconTo Previous Page
Loading...
paragon.myvnc.com
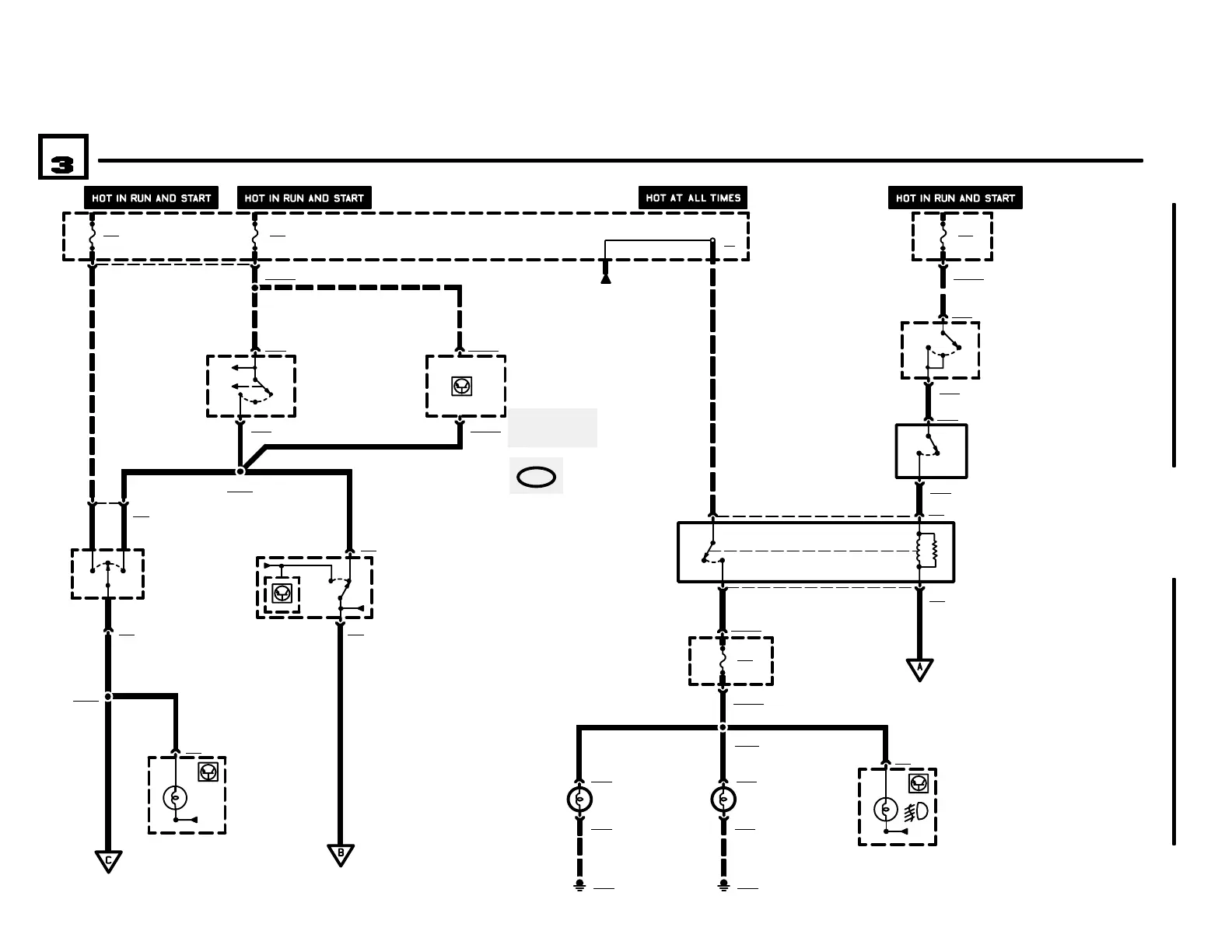
6312.0 HEADLIGHTS/FOG LIGHTS
BM
BMW
BMWBMW
Z3
1 GE/BR
9
04/99
6312.0Ć
1998
00
F25
5A
6312.0-01
X329
X32
5
6312.0-01
FUSE DETAILS
0670.3
X65
F23
5A
6
10
4
10
.5 GE
.5 GE
X1029
FUSE DETAILS
0670.3
N17
CRASH CONTROL
MODULE
.5 GE/BL
S7
COMBINATION
SWITCH
7) NORMAL
8) FLASH
9) HIGH BEAM
.35 WS
.5 WS
3
X503
X503
8
2
4 X44
E26
LEFT FOG LIGHT
6
X44
8
.5 GE/GR
30
86
E27
RIGHT FOG LIGHT
GROUND
DISTRIBUTION
0670.4
POWER
DISTRIBUTION
0670.2
X768
1
X7682
X769
1
X769
GROUND
DISTRIBUTION
0670.4
1 GE/BR .75 GE/BR
A2w
INSTRUMENT
CLUSTER
X1152
1 GE/BR
85
P90
FRONT POWER
DISTRIBUTION BOX
K47
FRONT FOG LIGHT
RELAY
POWER
DISTRIBUTION
0670.2
X2
X10017
S8
LIGHT SWITCH
0) OFF
1) PARK LIGHTS ON
2) HEADLIGHTS ON
X17
.5 GE
X65
X165X166
4
.5 GN/GE .5
GE
2
0
2
1
8
9
7
X1028
1 X16
A2w
INSTRUMENT
CLUSTER
.35 WS .35 WS
F15
15A
10 X10016
NSW
X10016
9
P90
FRONT POWER
DISTRIBUTION BOX
6312.0-01
.5 RT/WS
5
1 X10262
X10262
15
56
K46
HIGH BEAM LIGHT
RELAY
1 RT/GE
87
01
2
1 X504
X504
S10
FOG LIGHT
SWITCH
0) OFF
1) FRONT FOG
LIGHTS ON
0
2
1
2
11 X503
X503
.5 GE/VI
S8
LIGHT SWITCH
0) OFF
1) PARK LIGHTS
ON
2) HEADLIGHTS
ON
P90
FRONT POWER
DISTRIBUTION BOX
F22
5A
4 X10017
FUSE DETAILS
0670.3
.5 GE
K46z
DAY LIGHT RELAY
MODULE
CDN

Related product manuals