EasyManua.ls Logo

BMW Z3 E37 1998 - Page 210

BMW Z3 E37 1998
347 pages
Print Icon
To Next Page IconTo Next Page
To Next Page IconTo Next Page
To Previous Page IconTo Previous Page
To Previous Page IconTo Previous Page
Loading...
paragon.myvnc.com
BM
BMW
BMWBMW
Z3
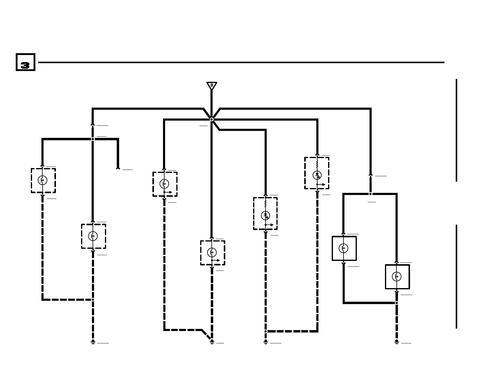
LIGHT SWITCH DETAILS
04/99
6300.0Ć
1998
03
4 X651
1 X651
S53
DRIVERS SEAT,
SEAT HEATER
SWITCH
.5 GR/RT
6300.0-00
X806
1.5 GR/RT
.5 GR/RT
2 X9001
.5 GR/RT
X18170
4 X658
1 X658
S54
PASSENGERS
SEAT, SEAT
HEATER SWITCH
.5 GR/RT
E105
HEAT/A/C
CONTROL PANEL
ILLUMINATION
.35 GR/RT
2 X18983
1 X18983
E106
HEAT/A/C
CONTROL PANEL
ILLUMINATION
.35 GR/RT
2
1
X9633
GROUND
DISTRIBUTION
0670.4
GROUND
DISTRIBUTION
0670.4
GROUND
DISTRIBUTION
0670.4
X985
.5 GR/RT
.5 BR/WS
.5 BR/WS
X18984
X18984
8 X10054
.5 GR/RT
S126y
DRIVERS POWER
WINDOW SWITCH
.5 GR/RT
4 X316
3 X316
GROUND
DISTRIBUTION
0670.4
S127y
PASSENGERS
POWER WINDOW
SWITCH
X324
X324
X494
GROUND
DISTRIBUTION
0670.4
.5 GR/RT
3
4
NOT USED
6 X19245
.75 GR/RT
B59
OIL TEMPERATURE
GAUGE
X9002
X9002
N5
ANALOG CLOCK
X9003
X9003
X10010
GROUND
DISTRIBUTION
0670.4
.5 GR/RT
2
1
.5 GR/RT
X9806
1
2
M ROADSTER

Related product manuals