EasyManua.ls Logo

BMW Z3 E37 1998 - Page 45

BMW Z3 E37 1998
347 pages
Print Icon
To Next Page IconTo Next Page
To Next Page IconTo Next Page
To Previous Page IconTo Previous Page
To Previous Page IconTo Previous Page
Loading...
paragon.myvnc.com
Z3 ROAD-
STER
3 4CYLINDER
S36y
DOUBLE
TEMPERATURE
SWITCH
X113791
BM
BMW
BMWBMW
Z3
1998
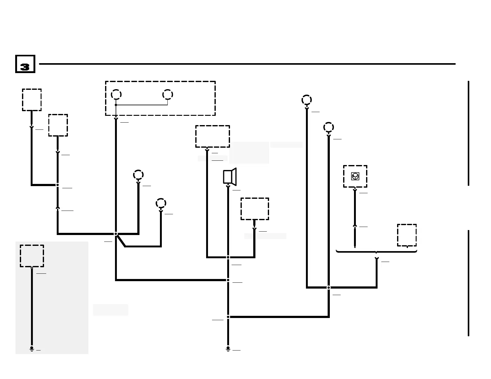
0670.4 GROUND DISTRIBUTION
GROUNDS X4 AND X165
00
X1371
E52
RIGHT WASHER
JET HEATER
E51
LEFT WASHER JET
HEATER
.75 BR .75 BR
04/99
0670.4Ć
.75 BR
X1051
.5 BR
H4
RIGHT FRONT
TURN LIGHT
.5 BR
X7672
E22
RIGHT FRONT
MARKER LIGHT
1 BR
X100882
X1331
H3
RIGHT HORN
X1272
B9508
PRESSURE
SWITCH
.5 BR
X1231
X1351
E14
RIGHT LOW BEAM
LIGHT
X1091
X216
X1611
X576
X1610
X11337
2.5 BR1.5 BR
4 BR
1.5 BR 1.5 BR
4 BR
6 BR
.75 BR
X1061
.75 BR
X165
.75 BR
1
E27
RIGHT FOG LIGHT
X871
S36
TEMPERATURE
SWITCH
X1341
E12
RIGHT HIGH BEAM
LIGHT
1.5 BR
X769
2.5 SW/BR
X28515
A51
WIPER/WASHER
MODULE
M7
HEADLIGHT/FOG
LIGHT WASHER
PUMP
X1232
2.5 SW
4CYLINDER
WITH HEADLIGHT
WASHER
WITHOUT HEAD-
LIGHT WASHER
E19
RIGHT PARK LIGHT
H4
RIGHT FRONT
TURN LIGHT
E8
RIGHT HEADLIGHT
Y1w
ABS HYDRAULIC
UNIT
6 BR
X4
M ROADSTER
WITH ASC
X9170

Related product manuals