EasyManua.ls Logo

BMW Z3 E37 1998 - Page 46

BMW Z3 E37 1998
347 pages
Print Icon
To Next Page IconTo Next Page
To Next Page IconTo Next Page
To Previous Page IconTo Previous Page
To Previous Page IconTo Previous Page
Loading...
paragon.myvnc.com
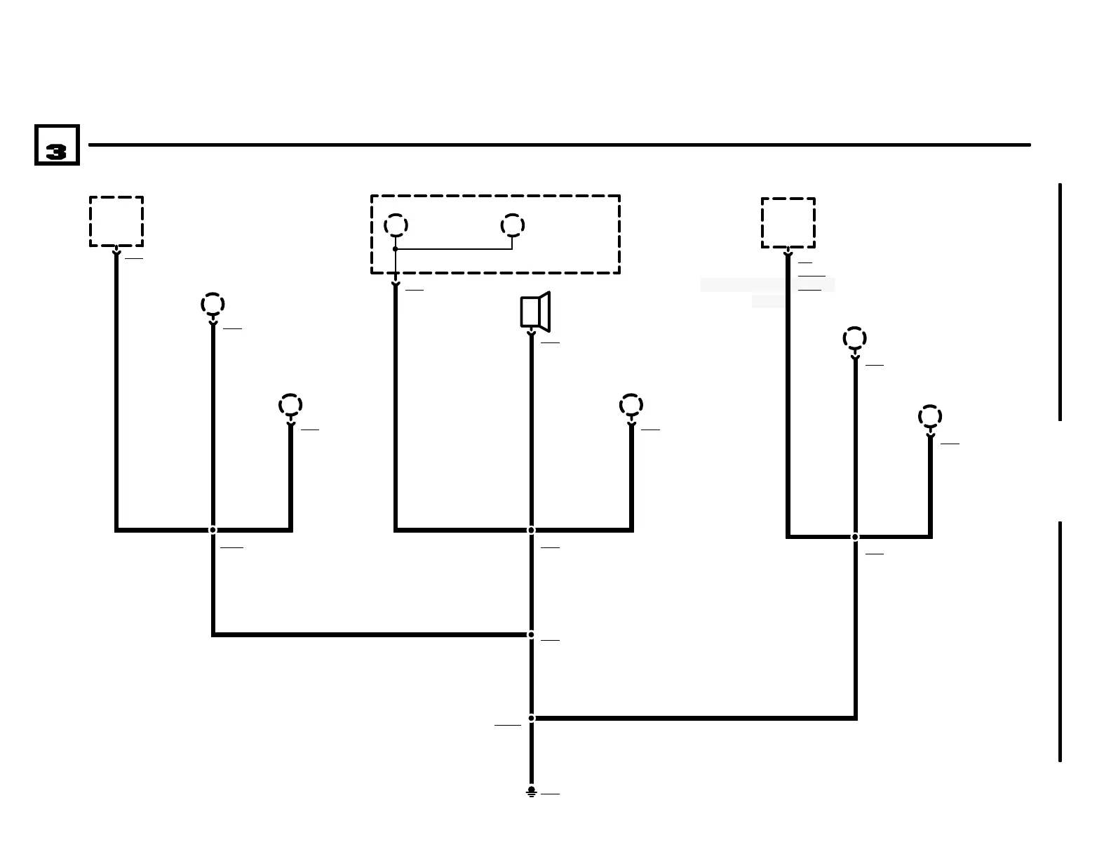
M ROADSTER
4 BR
X189014CYLINDER
X7681
E26
LEFT FOG LIGHT
BM
BMW
BMWBMW
Z3
1998
GROUND DISTRIBUTION
GROUND X166
01
X7662
S21w
ENGINE HOOD
SWITCH
.5 BR .5 BR
04/99
0670.4Ć
X3711
X190221
2.5 BR
M9
AUXILIARY FAN
MOTOR
E21
LEFT FRONT
MARKER LIGHT
1 BR
X1321
H2
LEFT HORN
.75 BR
X1311
E11
LEFT HIGH BEAM
LIGHT
X1301
E13
LEFT LOW BEAM
LIGHT
X1614 X698
X699
X697
X11339
1.5 BR1.5 BR
4 BR1.5 BR 1.5 BR
4 BR
6 BR
X166
X1281
.75 BR
X3891
H9
LEFT FRONT
AUXILIARY TURN
LIGHT
.5 BR
H4
RIGHT FRONT
TURN LIGHT
E15
LEFT PARK LIGHT
H7
LEFT FRONT TURN
LIGHT
E7
LEFT HEADLIGHT
X82
1
Z3 ROADSTER

Related product manuals