EasyManua.ls Logo

BMW Z3 E37 1998 - Page 198

BMW Z3 E37 1998
347 pages
Print Icon
To Next Page IconTo Next Page
To Next Page IconTo Next Page
To Previous Page IconTo Previous Page
To Previous Page IconTo Previous Page
Loading...
paragon.myvnc.com
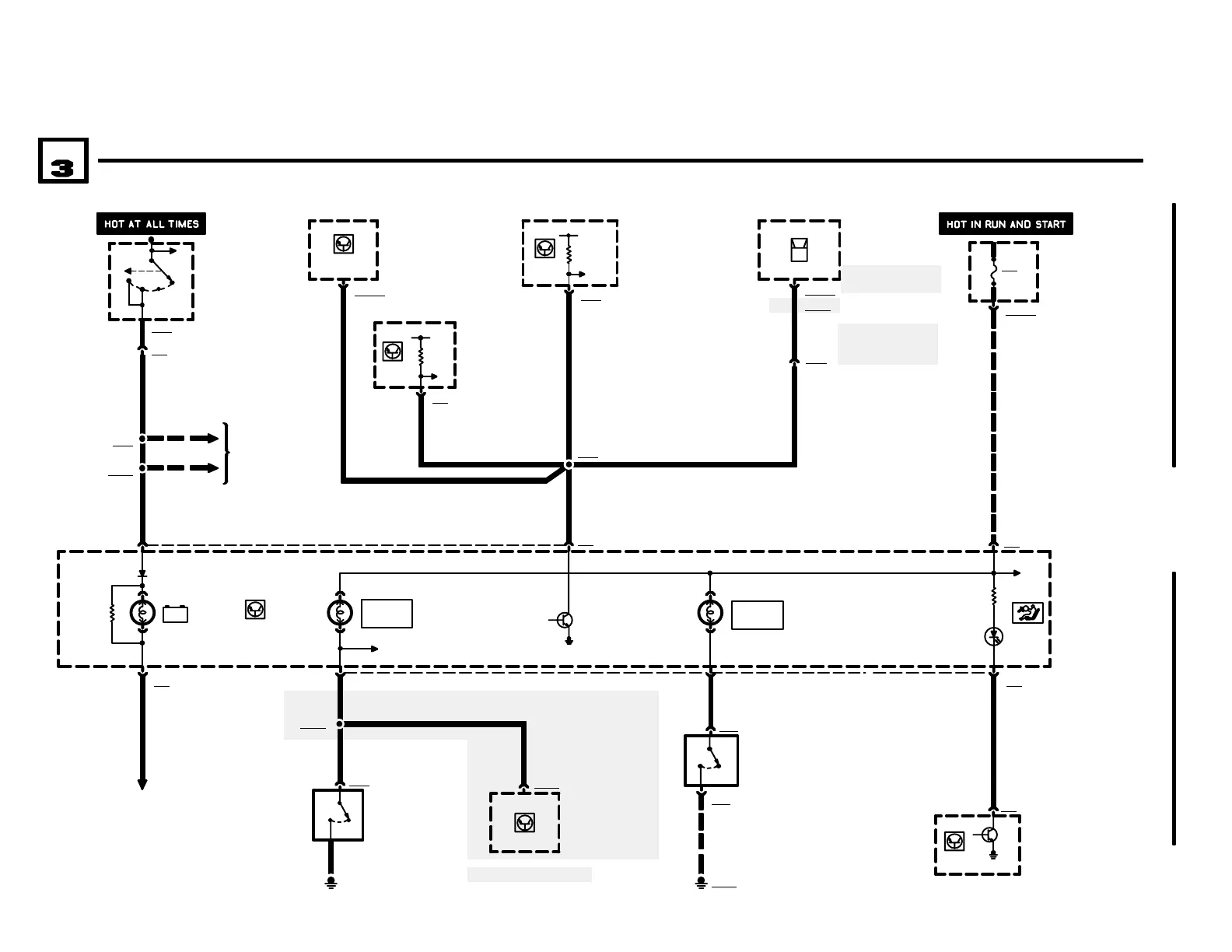
1 X1715
A18
HIFI AMPLIFIER
BM
BMW
BMWBMW
Z3
00
04/99
6211.0Ć
1998
INSTRUMENT CLUSTER
INDICATORS
5
X4231
S31
PARK BRAKE
SWITCH
1) BRAKE SET
2) BRAKE NOT
SET
17
.5 BR/GN
X1111
B18
BRAKE FLUID
LEVEL SWITCH
1) LOW LEVEL
2) NORMAL LEVEL
P90
FRONT POWER
DISTRIBUTION BOX
X203
7
2.5 GN
S2
IGNITION SWITCH
0) OFF
1) ACCESSORY
2) RUN
3) START
A2w
INSTRUMENT
CLUSTER
2) VEHICLE
SPEED
OUTPUT
10) AIR BAG
23
X172
6 X17 18
.35 BR/VI
X1614
.5 BR/VI
A12
SUPPLEMENTAL
RESTRAINT
SYSTEM CONTROL
MODULE
31
POWER
DISTRIBUTION
0670.2
7
CHARGING
SYSTEM
1230.0
2.5 GN
1.5 GN
X1112
GROUND
DISTRIBUTION
0670.4
14
X10017
X16
X74
1
X209
FUSE DETAILS
0670.3
X33
X1100
.5 GN
F27
5A
2
1
0
3
X9633
21
21
N9
RADIO
10 X18126
A35y
BOARD
COMPUTER
(BC LOW)
9
X10245
A8
CRUISE CONTROL
MODULE
(TEMPOMAT)
16 X22
R
A64
WIPER/WASHER
MODULE (LOW II)
A51
WIPER/WASHER
MODULE
5 X285
R
TACH
TACH
3
X322
.5 SW/WS.5 SW/WS
.35 SW/WS
.5 SW/WS
.5 SW/WS
.5 BL
.5 SW/WS
31
TACH
10
2
-+
X188
OUTPUTSIGNAL
SPEEDOMETER
HIFI, HARMAN
KARDON SOUND
SYSTEM
Z3 ROADSTER
A52
SLIP CONTROL
MODULE
(ABS/ASC)
X117576
X1682
.5 BR/GN .5 BR/GN
M ROADSTER WITH ASC
PARK
BRAKE
BRAKE
FLUID

Related product manuals