EasyManua.ls Logo

BMW Z3 E37 1998 - Page 228

BMW Z3 E37 1998
347 pages
Print Icon
To Next Page IconTo Next Page
To Next Page IconTo Next Page
To Previous Page IconTo Previous Page
To Previous Page IconTo Previous Page
Loading...
paragon.myvnc.com
BM
BMW
BMWBMW
Z3
04/99
6424.0Ć
1998
00
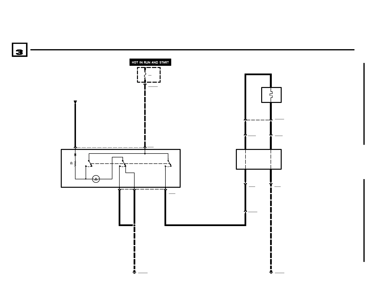
6424.0 REAR WINDOW DEFOGGER
P90
FRONT POWER
DISTRIBUTION BOX
.5 GR/RT
7
5
4 X8983
X898
S76
REAR WINDOW
DEFOGGER
SWITCH
1) OFF
2) ON
F6
20A
X10015
12
FUSE DETAILS
0670.3
LIGHT SWITCH
DETAILS
6300.0
X3801
E99
HARD TOP
CONNECTOR 1
8
1
GROUND
DISTRIBUTION
0670.4
X18170
2.5 SW
.5 BR.5 BR
GROUND
DISTRIBUTION
0670.4
X13006
100
121212
1 X12661 X1265
2 X130171
E9
REAR DEFOGGER I
2.5 SW 2.5 SW
X379
1 X11209
2.5 SW
EARLY PRODUCTION

Related product manuals