EasyManua.ls Logo

BMW Z3 E37 1998 - Page 49

BMW Z3 E37 1998
347 pages
Print Icon
To Next Page IconTo Next Page
To Next Page IconTo Next Page
To Previous Page IconTo Previous Page
To Previous Page IconTo Previous Page
Loading...
paragon.myvnc.com
BM
BMW
BMWBMW
Z3
GROUND X6454
04/99
0670.4Ć
1998
04
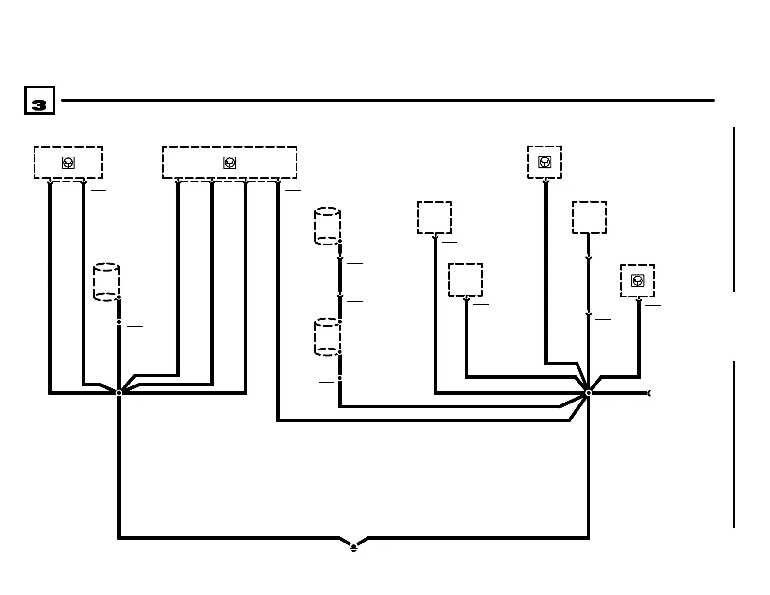
GROUND DISTRIBUTION
A8500
TRANSMISSION
CONTROL MODULE
(EGS)
X8500
34
6
1.5 BR
W6165
SHIELD UP TO
10mm BEFORE
IGNITION COIL
CONNECTOR
X6462
X6492
6 BR
X6002
19
X6454
B6209
HALL EFFECT CAM-
SHAFT SENSOR
A6000
ENGINE CONTROL
MODULE (DME)
X600034 28
2.5 BR
6
2.5 BR
55
2.5 BR
X6463
4 BR
D100
DATA LINK
CONNECTOR
B6217
HOT FILM AIR
MASS METER
1.5 BR
1.5 BR1.5 BR
X6217
1
X6209
3
.5 BR
1.5 BR
K6326
UNLOADER RELAY,
TERMINAL 15
.5 BR
X6326
4
A8500
TRANSMISSION
CONTROL MODULE
(EGS)
1 BR
X8500
28
3
W6203
CRANKSHAFT
POSITION/RPM
SENSOR SHIELD
X6203
W6203
CRANKSHAFT
POSITION/RPM
SENSOR SHIELD
X6460
1
X6091
X609130
.5 BR
4CYLINDER
.5 BR
K6304
SECONDARY AIR
PUMP RELAY
X6304
5
.35 BR

Related product manuals