EasyManua.ls Logo

BMW Z3 E37 1998 - Page 52

BMW Z3 E37 1998
347 pages
Print Icon
To Next Page IconTo Next Page
To Next Page IconTo Next Page
To Previous Page IconTo Previous Page
To Previous Page IconTo Previous Page
Loading...
paragon.myvnc.com
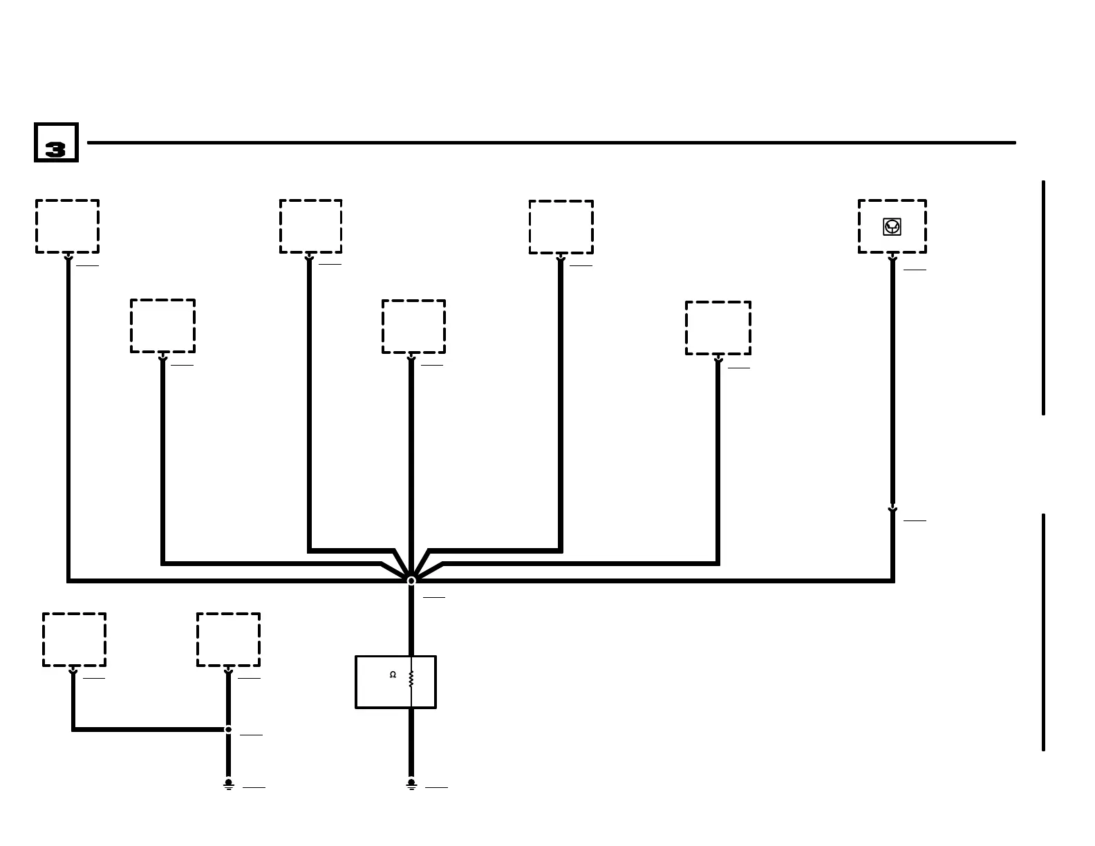
BMBMWBMWBMW
Z3
T6154
CYL. 4 IGNITION
COIL
X61522
GROUND DISTRIBUTION
GROUNDS X6455 AND X6456
04/99
0670.4Ć
1998
07
X61532
1 BR
T6152
CYL. 2 IGNITION
COIL
T6151
CYL. 1 IGNITION
COIL
X61562
T6156
CYL. 6 IGNITION
COIL
T6153
CYL. 3 IGNITION
COIL
2
T6155
CYL. 5 IGNITION
COIL
X6155
X6456
X61542
X6900
1 BR
1.5 BR
X6151
2
1 BR 1 BR 1 BR1 BR
X6000
A6000
ENGINE CONTROL
MODULE (DME)
56
240
R8554
RESISTOR
1.5 BR
2W
.5 BR
6CYLINDER
Y6133
AIR PUMP
X61331
4 BR
X6455
K6304
SECONDARY AIR
PUMP RELAY
X63045
4 BR.35 BR
X6460
X61502
.5 BR

Related product manuals