EasyManua.ls Logo

BMW Z3 E37 1998 - Page 57

BMW Z3 E37 1998
347 pages
Print Icon
To Next Page IconTo Next Page
To Next Page IconTo Next Page
To Previous Page IconTo Previous Page
To Previous Page IconTo Previous Page
Loading...
paragon.myvnc.com
BM
BMW
BMWBMW
Z3
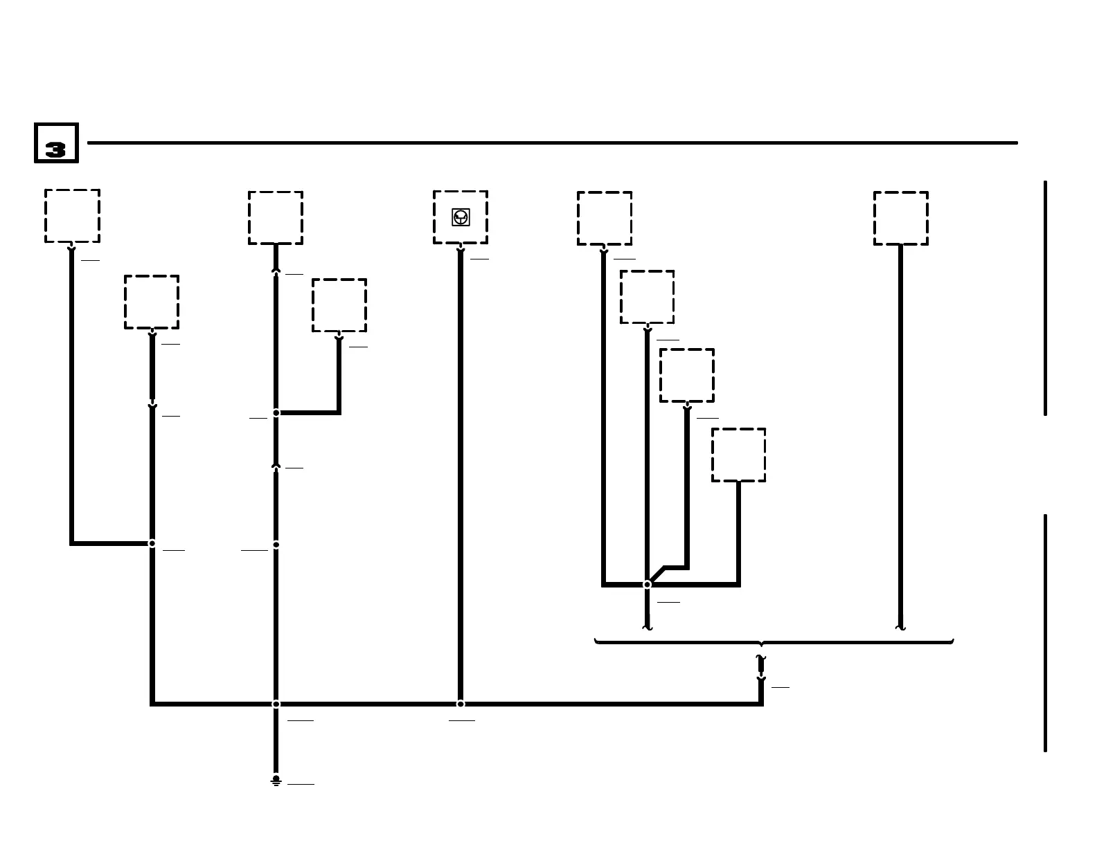
GROUND DISTRIBUTION
GROUND X13004
04/99
0670.4Ć
1998
12
.5 BR
X624
4
Y6
PASSENGERS
SIDE MIRROR
X2857
A64
WIPER/WASHER
MODULE (LOW II)
X7443
M23
PASSENGERS
WINDOW MOTOR
.5 BR 2.5 BR
1.5 BR
.75 RT/WS
X357
1
E800
FRONT LEFT
INTERIOR LIGHT
X1620
S13
PASSENGERS
DOOR JAMB
SWITCH
1.5 BR
1
.5 BR
X351
S56
PASSENGERS
SEAT, SEAT
CONTROL SWITCH
2 BR
X13134
4 BR
X2561
.5 BR
X942
X3362
.5 BR
X10126
.5 BR
X13004
4 BR
X2791
2 BR
X99952
K911
PASSENGERS
SEAT LENGTH
ADJUST CUTOFF
RELAY
X9997
K910
PASSENGERS
SEAT TILT ADJUST
CUTOFF RELAY
7
X9995
1.5 BR
X99942
S911
PASSENGERS
SEAT LIMIT
SWITCH
.5 BR
S56
PASSENGERS
SEAT, SEAT
CONTROL SWITCH
2 BR
X11357
1.5 BR
WITH SPORT SEAT WITHOUT SPORT SEAT
2.5 BR

Related product manuals