EasyManua.ls Logo

BMW Z3 E37 1998 - Page 60

BMW Z3 E37 1998
347 pages
Print Icon
To Next Page IconTo Next Page
To Next Page IconTo Next Page
To Previous Page IconTo Previous Page
To Previous Page IconTo Previous Page
Loading...
paragon.myvnc.com
BM
BMW
BMWBMW
Z3
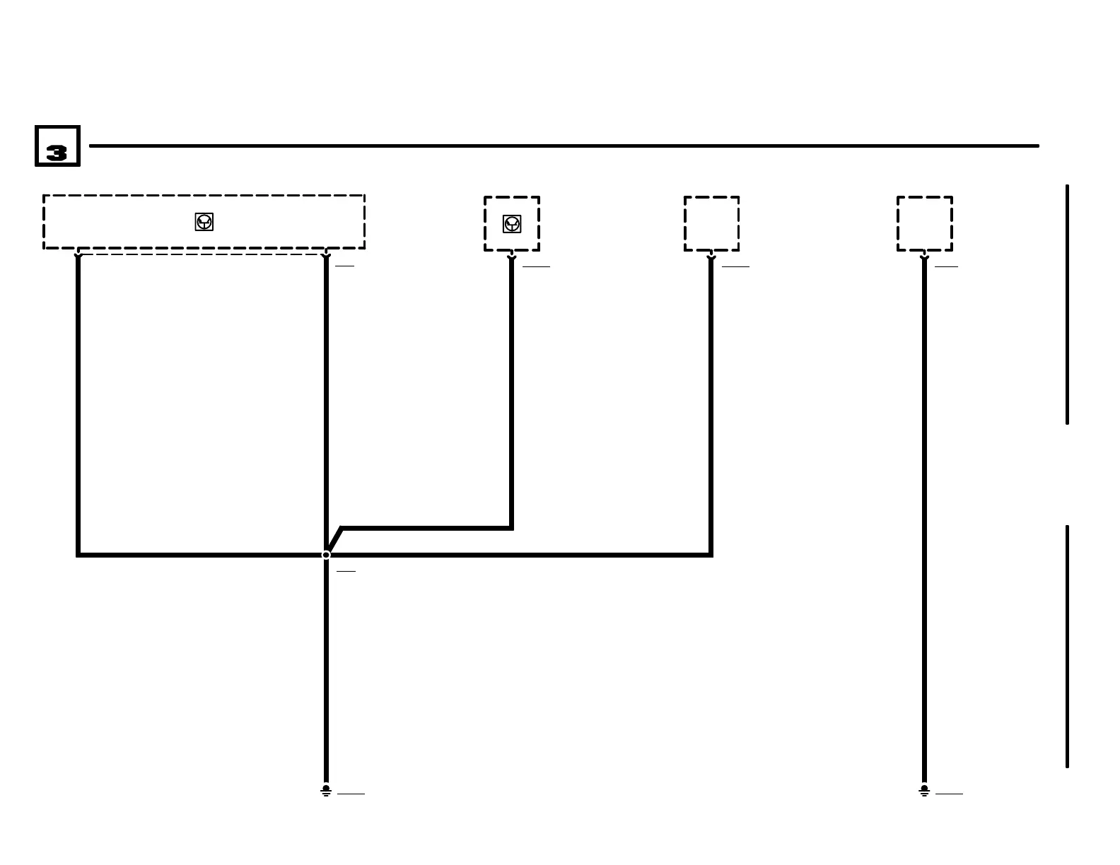
GROUND DISTRIBUTION
GROUNDS X13016 AND X13032
04/99
0670.4Ć
1998
15
2.5 BR
X605
4
X824
3
A18
HIFI AMPLIFIER
X65001
M2
FUEL PUMP
2.5 BR2.5 BR
X13016
X1812615
N9
RADIO
1.5 BR
2.5 BR
X181801
N22
CD CHANGER
.5 BR
X13032

Related product manuals