EasyManua.ls Logo

BMW Z3 E37 1998 - Page 65

BMW Z3 E37 1998
347 pages
Print Icon
To Next Page IconTo Next Page
To Next Page IconTo Next Page
To Previous Page IconTo Previous Page
To Previous Page IconTo Previous Page
Loading...
paragon.myvnc.com
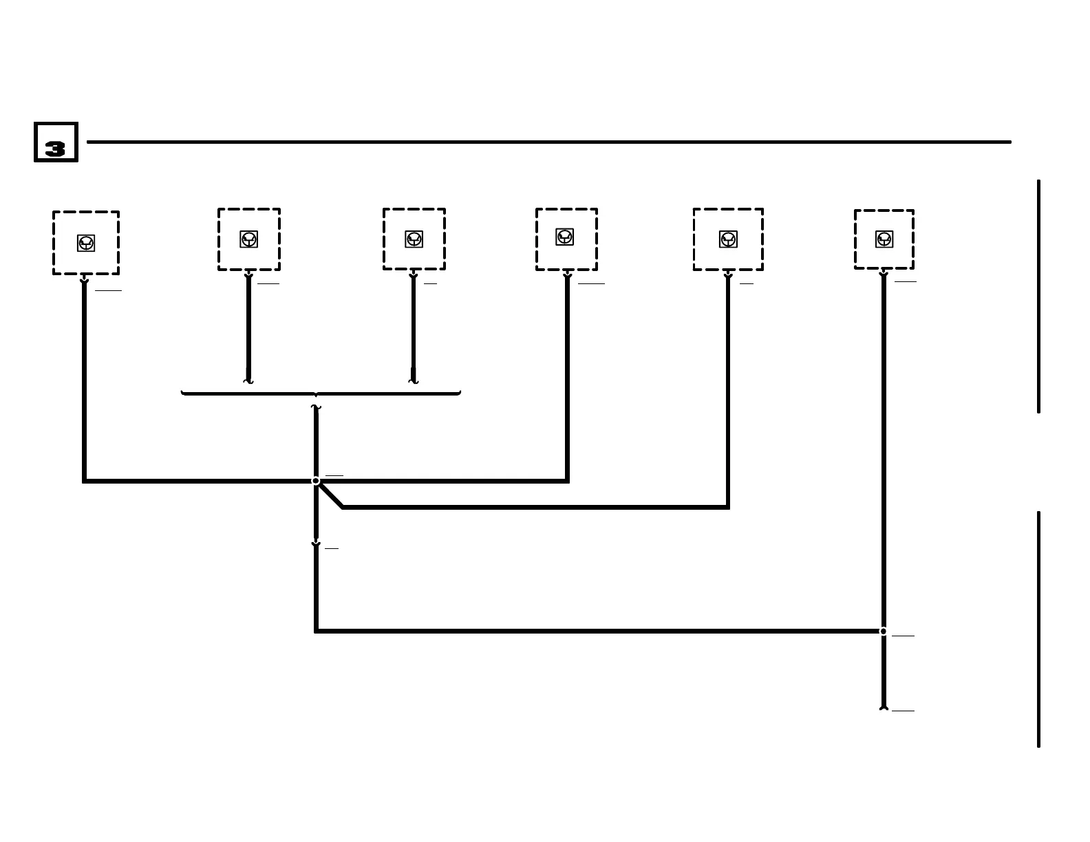
BM
BMW
BMWBMW
Z3
DATA LINK
RXD
04/99
0670.5Ć
1998
02
X101829
A104
BODY
ELECTRONICS
CONTROL MODULE
(ZKE IV)
RXD
X1171
8
A52
SLIP CONTROL
MODULE
(ABS/ASC)
X2016
X6863
.5 WS/GE .5 WS/GE
X182
.5 WS/GE
.5 WS/GE
RXD
.5 WS/GE
X102453
A35y
BOARD
COMPUTER
(BC LOW)
.35 WS/GE
RXD
X600087
A6000
ENGINE CONTROL
MODULE (DME)
RXD
.5 WS/GE
D100
DATA LINK
CONNECTOR
X600215
4CYLINDER
X16
11
A2w
INSTRUMENT
CLUSTER
.5 WS/GE
RXD
M ROADSTER
X11
7
A7
SLIP CONTROL
MODULE (ABS)
.5 WS/GE
RXD
Z3 ROADSTER
6CYLINDER
M ROADSTER
WITH ABS

Related product manuals