EasyManua.ls Logo

Branson 3015r - Page 183

Branson 3015r
454 pages
Print Icon
To Next Page IconTo Next Page
To Next Page IconTo Next Page
To Previous Page IconTo Previous Page
To Previous Page IconTo Previous Page
Loading...
4
-
11
42hW-201601
CHAPTER 4 TRANSMISSION
4
3015R(h)/3515R(h)/4015R(h)/F36R(h)/F42R(h) TRACTOR
,1387
&
%
$
7
7
7
7
7
7
7
7
7
7
2
1
&2817(5
0):'
68%'5,9(
5DQJHVKLIW
372&/87&+3$&.
0):'
A42W404B
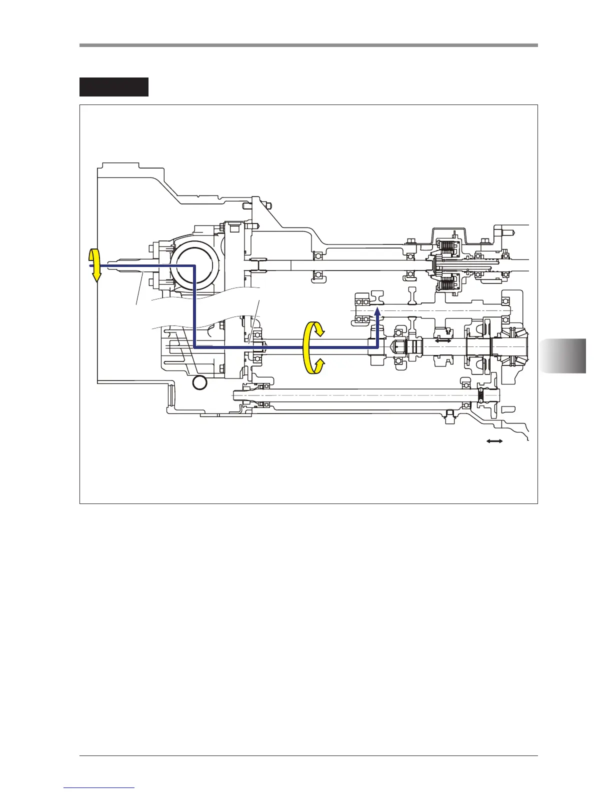
AstheHSTinputshaft(pumpshaft)(1)isrotatedbytheenginetorque,theinternalpistondelivershydraulic
pressuretotheHSTmotorshaft(2).
TheHSTpumpshaftisinstalledwiththeswashplatewhichistiltedbetween-18°and+18°.Theangleofthe
swashplateischangedaccordingtothedepressingconditionoftheHSTpedal.
WhentheswashplateoftheHSTpumpshaftstartstotilttowardthepositivex-axisfrom0°(neutralposition)
gradually,theamountofhydraulicoildeliveredtothe HSTmotorshaftisincreased,resulting inincreaseof
thevehiclespeed.Whentheswashplatemovestowardthenegativex-axisfrom,thedeliverydirectionof
hydraulicoilisreversed,resultinginreverserotationoftheHSTmotorshaft.
Therefore,the rotating direction of the HSTmotor shaft isswitched between forward direction and reverse
direction according to the selected direction (forward/reverse driving)of the HST pedal, and this direction
controlisappliedtogearsinthetransmissiontodrivethevehicleforwardorbackward.
HST MODEL

Table of Contents

Related product manuals