EasyManua.ls Logo

Branson 3015r - Hyd Pump

Branson 3015r
454 pages
Print Icon
To Next Page IconTo Next Page
To Next Page IconTo Next Page
To Previous Page IconTo Previous Page
To Previous Page IconTo Previous Page
Loading...
6
-
55
42hW-201601
CHAPTER 6 HYDRAULIC SYSTEM
6
3015R(h)/3515R(h)/4015R(h)/F36R(h)/F42R(h) TRACTOR
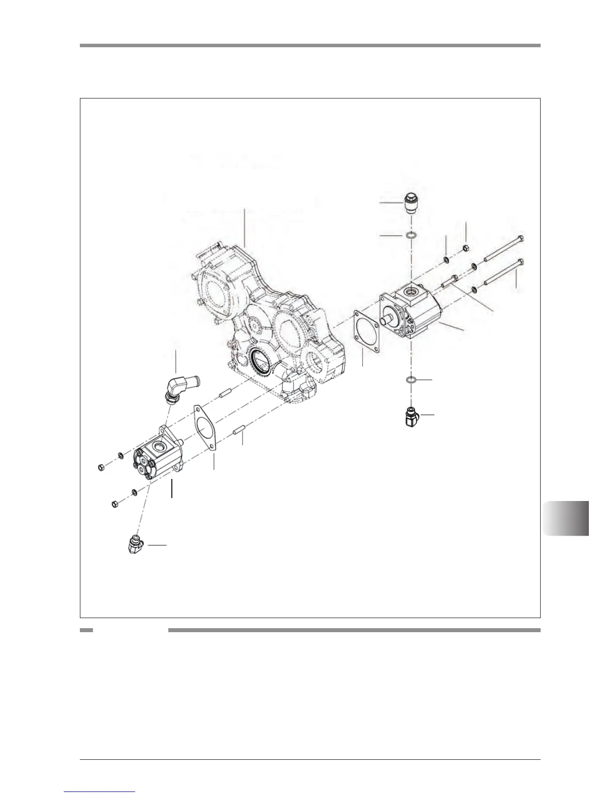
6.4 HYD PUMP





(1*,1(3$57
*($5&$6($66ಬ<
F42W603A
(1) Hyd pump
(2) Elbow
(3) Packing
(4) Elbow
(5) Stud bolt
(6) Hyd pump
(7) O-ring
(8) Joint
(9) Elbow
(10) Packing
(11) Spring washer
(12) Hex nut
(13) Hex bolt
(14) Bolt w/washer
COMPONENTS

Table of Contents

Related product manuals