EasyManua.ls Logo

Branson 3015r - Stop Valve

Branson 3015r
454 pages
Print Icon
To Next Page IconTo Next Page
To Next Page IconTo Next Page
To Previous Page IconTo Previous Page
To Previous Page IconTo Previous Page
Loading...
6
-
61
42hW-201601
CHAPTER 6 HYDRAULIC SYSTEM
6
3015R(h)/3515R(h)/4015R(h)/F36R(h)/F42R(h) TRACTOR
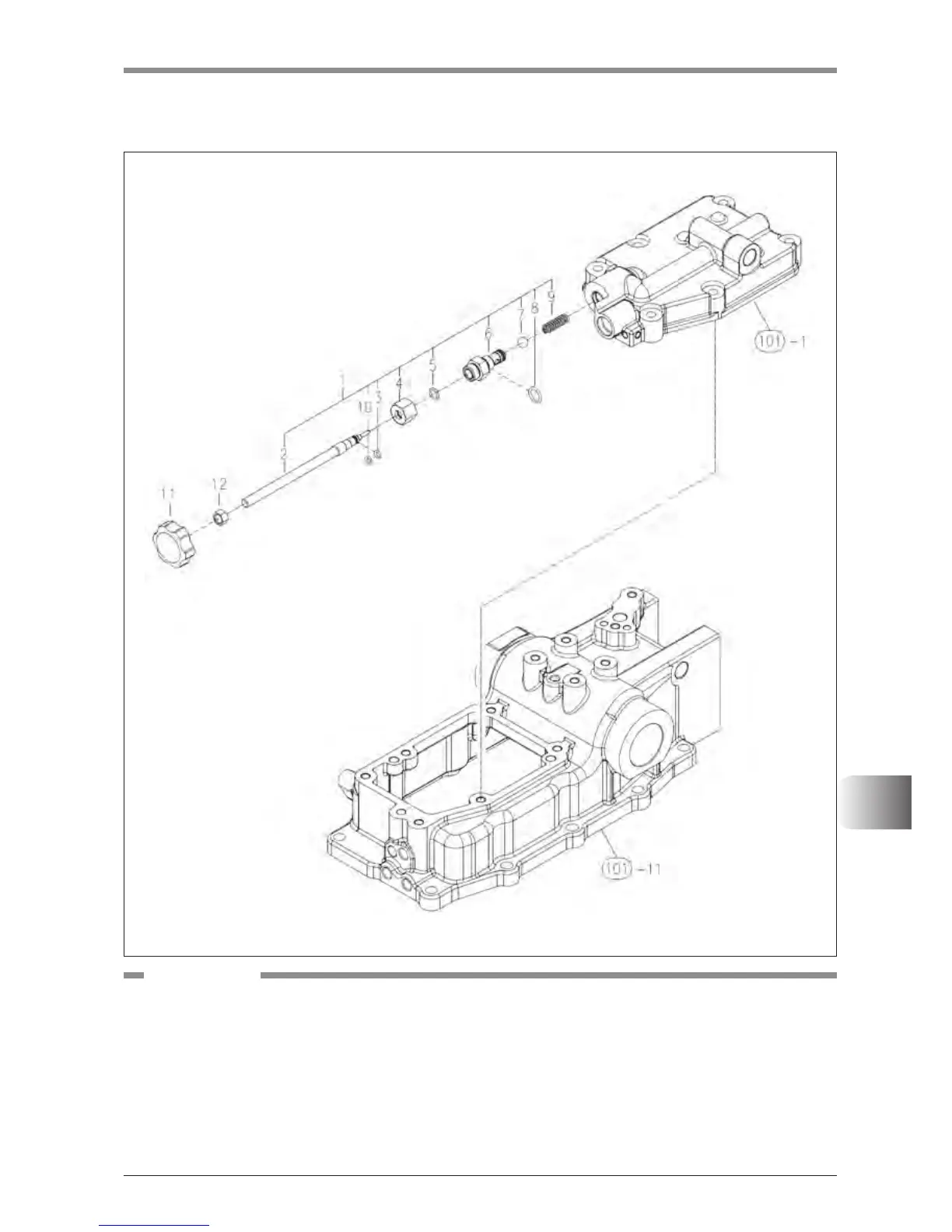
6.9 STOP VALVE
K25W613A
(1) Stop V/V
(2) Stop bolt
(3) O-ring
(4) Nut
(5) O-ring
(6) Body, stop V/V
(7) Steel ball
(8) O-ring
(9) Spring
(10) Ring, backup
(11) Knob
(12) Hex nut
COMPONENTS

Table of Contents

Related product manuals