EasyManua.ls Logo

Branson 3015r - Brake; Overview

Branson 3015r
454 pages
Print Icon
To Next Page IconTo Next Page
To Next Page IconTo Next Page
To Previous Page IconTo Previous Page
To Previous Page IconTo Previous Page
Loading...
4
-
20
42hW-201601
CHAPTER 4 TRANSMISSION 3015R(h)/3515R(h)/4015R(h)/F36R(h)/F42R(h) TRACTOR
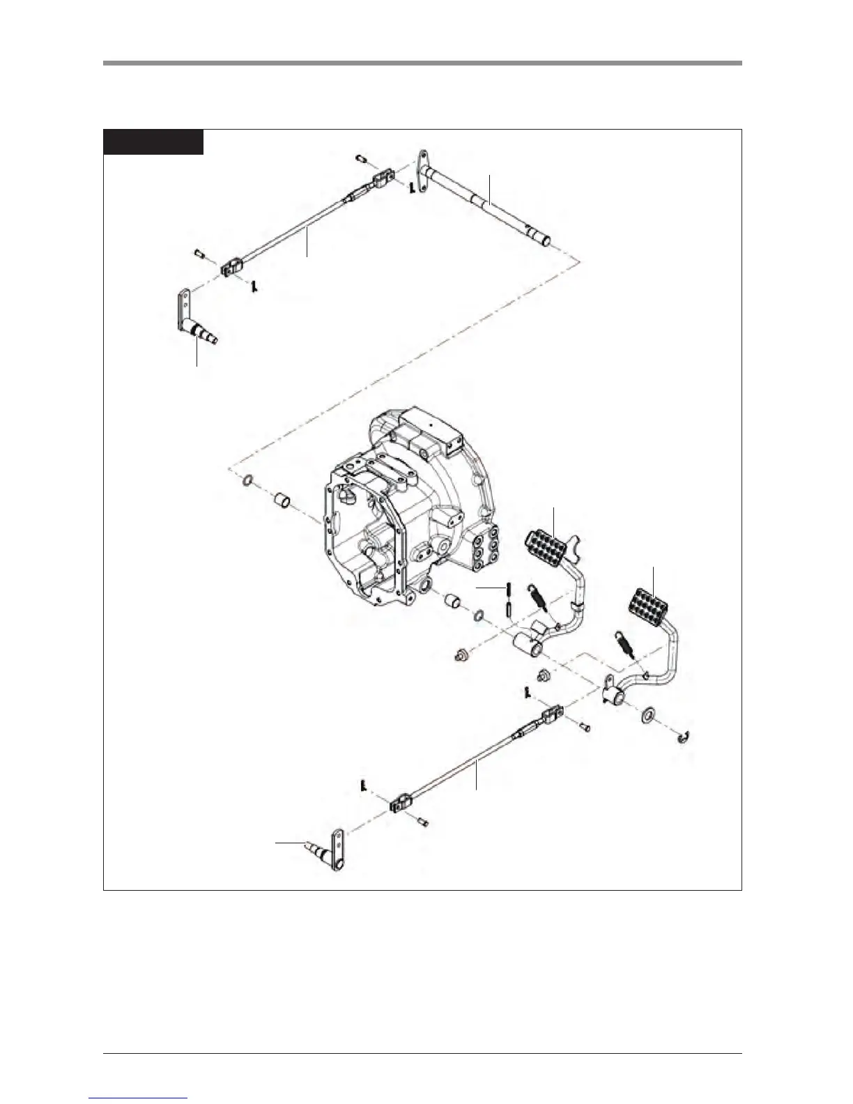
3.2 BRAKE
3.2.1 OVERVIEW
5
4
4
2
5
3
1
1
F42W425A
Whenthebrakepedal(1)isdepressed,thebrakeshaft(3),whichisxedwiththebrakepedalbossandspring
pin(2),startstorotate.Then,asthebrakeshaftisconnectedtothebrakerod(4)withthesnappin,theshaft
pullstherodwhichthenturnsthebrakeactivatingbrakelever(5)tooperatetheinternalbrake.
Asthisbrakeisawetmulti-platetype,itissoakedinoilforsuperiorlubrication,coolinganddurability.
MEC. MODEL

Table of Contents

Related product manuals