EasyManua.ls Logo

Branson F42h - Page 341

Branson F42h
454 pages
Print Icon
To Next Page IconTo Next Page
To Next Page IconTo Next Page
To Previous Page IconTo Previous Page
To Previous Page IconTo Previous Page
Loading...
6
-
63
42hW-201601
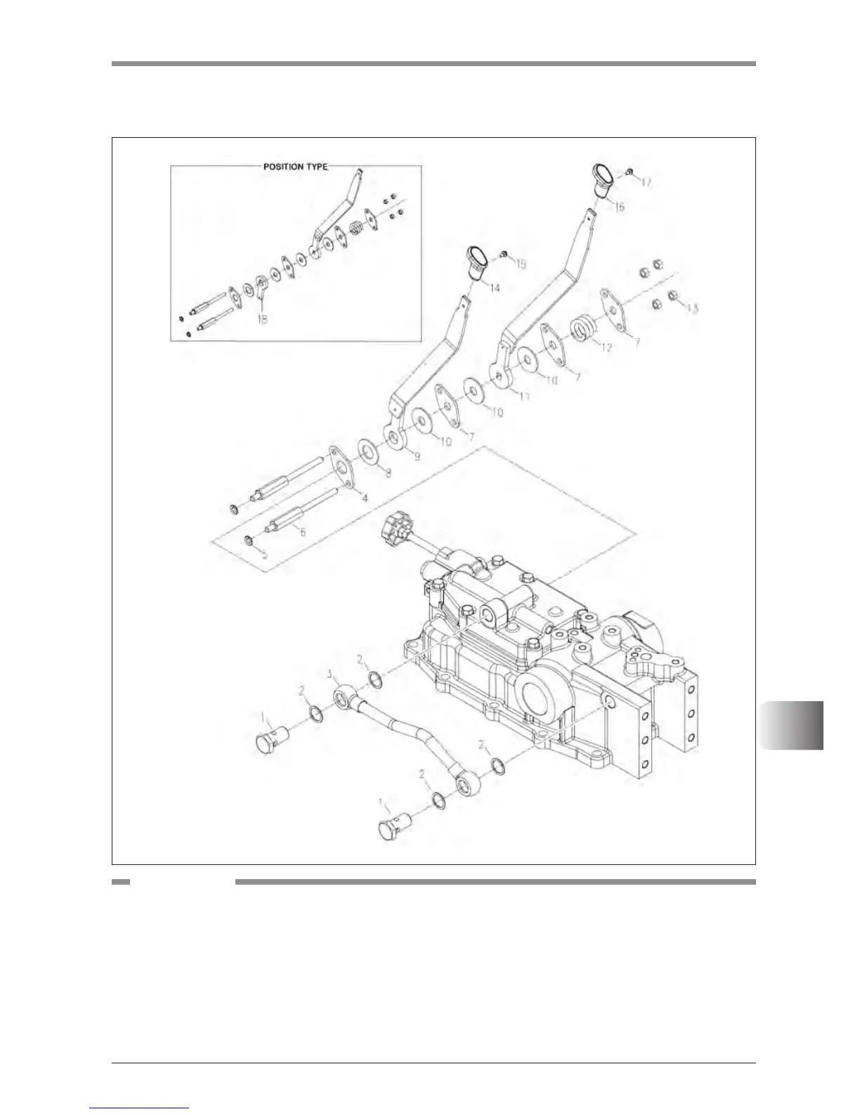
CHAPTER 6 HYDRAULIC SYSTEM
6
3015R(h)/3515R(h)/4015R(h)/F36R(h)/F42R(h) TRACTOR
K25W615A
(1) Connector
(2) Bonded seal
(3) Bracket
(4) Bracket
(6) Bolt
(7) Bracket A
(8) Plate, friction
(9) Lever, D-control
(10) Plate A
(11) Lever, P-control
(12) Spring
(13) Hex nut
(14) Knob ass’y, draft control
(15) Screw
(16) Knob ass’y, positoin control
(17) Screw
(18) Arm,lever
COMPONENTS

Table of Contents

Other manuals for Branson F42h

Related product manuals